Type 2 Buchse

  • Goldi
  • Goldis Avatar
  • Platinum Boarder
  • Platinum Boarder
  • Reifen- und KFZ-Monteur
  • Beiträge: 1847
  • Dank erhalten: 1139
05 Nov 2017 17:00 #138509 von Goldi
Type 2 Buchse

dingdong schrieb:

Goldi schrieb:

dingdong schrieb: ..............dort wo Renault die Aufnahme für den Stecker gedacht hatte im Kabelfach.(benutzt überhaupt den Jemand?)


Nachdem mir E-Klaus gezeigt hat wie man das Kabel richtig verstaut, ja, immer!


Bist wohl Beamter! :P


mimimimimi :mrgreen:

2013 Twizy #1 Goldi: Color 4/2012, Lader 2.Gen., OVMS 2, Korea Fenster, AHK, Parrot mit DAB+, Smart Brabus Ledersitz mit Heizung,
Getriebezusatzlager. usw.
Seit 2022 Twizy #2 Bj 2012, OVMS 2, Korea Scheiben, Bluetooth/Freisprech Lösung aus Korea.

Reifen: 145/70R13 und 165/70R13 auf original Alu
Folgende Benutzer bedankten sich: dingdong

Bitte Anmelden oder Registrieren um der Konversation beizutreten.

  • Pfälzer68
  • Pfälzer68s Avatar
  • Platinum Boarder
  • Platinum Boarder
  • Beiträge: 8580
  • Dank erhalten: 5204
05 Nov 2017 21:19 #138533 von Pfälzer68
Type 2 Buchse

Akku61 schrieb: ... dass beim Laden die Kontakte des Twizy-Schukostecker nicht unter Strom stehen und anders herum.


Moin.

Wird wohl ein Lastrelais oder ein schnöder Umschalter sein...

Bitte Anmelden oder Registrieren um der Konversation beizutreten.

  • Mannni
  • Mannnis Avatar
  • Pro Boarder
  • Pro Boarder
  • OE3MTB-9
  • Beiträge: 635
  • Dank erhalten: 287
07 Nov 2017 11:32 #138624 von Mannni
Type 2 Buchse
Take my Money !!! Haben will....

Bitte Anmelden oder Registrieren um der Konversation beizutreten.

  • Henneke
  • Hennekes Avatar
  • Junior Boarder
  • Junior Boarder
  • Beiträge: 84
  • Dank erhalten: 12
11 Nov 2017 18:29 #138934 von Henneke
Type 2 Buchse
Hi Richi, es wäre ja echt nett, wenn du nach so einer tollen presentation dich hier mal wieder einmischt.
Auf jeden Fall mal um ein paar Antworten zu geben. Und um uns mitzuteilen, ob du deine Idee und dessen Umsetzung für dich behalten willst oder ob du sie mit uns teilen willst ....

schöne Grüss Henneke B)
Folgende Benutzer bedankten sich: Floschi, GeölterBlitz

Bitte Anmelden oder Registrieren um der Konversation beizutreten.

  • Ulli-et-Tom
  • Ulli-et-Toms Avatar
  • Platinum Boarder
  • Platinum Boarder
  • Beiträge: 2624
  • Dank erhalten: 1950
11 Nov 2017 18:34 - 11 Nov 2017 18:36 #138935 von Ulli-et-Tom
Type 2 Buchse
Super gelöst !!
Würde mich auch interessieren, wie du es umgesetzt hast. Sowohl mechanisch als auch elektrisch.
Möglicherweise brauch ich es auch bald, da an meinem Arbeitsplatz bald 20! Ladesäulen gebaut werden und ich könnte mir vorstellen, dass an ihnen ein Kabel runter baumelt.
Könnte mir vorstellen, dass man eine fast identischen Beschaltung wie die üblichen Adapter für "Vehicle detected" und "charge ready" nehmen könnte. Ich würde dann allerdings die Reedkontakte durch Schalter ersetzen und nach drinnen verlegen.
Und das der Schukostecker spannungslos für den Fall des Ladens mittels Typ2 ist kann man sicherlich recht einfach mittels 12V Relais mit Wechslern realisieren.
...ich glaube ich muss mal in mich gehen... der Winterkommt

Twizylino 08-2012 I ToM I OVMS V3 I V:145/70R13 I H:145/80R13 I Alu I TfL I Zusatzlager I 10,5kWh Akku
Twizy(Hummel) Cargo 08-2015 I ToM I OVMS V3 I V:145/70R13 I H:145/80R13 I Alu I TfLI Zusatzlager I 10,5kWh Akku

tcb-info[at]web.de

Threema: MJRBDTEE

RTT2022 Nr.18
RTT2025 Nr.?? (gab es Nummern?)
Letzte Änderung: 11 Nov 2017 18:36 von Ulli-et-Tom.

Bitte Anmelden oder Registrieren um der Konversation beizutreten.

  • Ulli-et-Tom
  • Ulli-et-Toms Avatar
  • Platinum Boarder
  • Platinum Boarder
  • Beiträge: 2624
  • Dank erhalten: 1950
11 Nov 2017 18:35 #138936 von Ulli-et-Tom
Type 2 Buchse

Henneke schrieb: Hi Richi, es wäre ja echt nett, wenn du nach so einer tollen presentation dich hier mal wieder einmischt.
Auf jeden Fall mal um ein paar Antworten zu geben. Und um uns mitzuteilen, ob du deine Idee und dessen Umsetzung für dich behalten willst oder ob du sie mit uns teilen willst ....


dito

Twizylino 08-2012 I ToM I OVMS V3 I V:145/70R13 I H:145/80R13 I Alu I TfL I Zusatzlager I 10,5kWh Akku
Twizy(Hummel) Cargo 08-2015 I ToM I OVMS V3 I V:145/70R13 I H:145/80R13 I Alu I TfLI Zusatzlager I 10,5kWh Akku

tcb-info[at]web.de

Threema: MJRBDTEE

RTT2022 Nr.18
RTT2025 Nr.?? (gab es Nummern?)

Bitte Anmelden oder Registrieren um der Konversation beizutreten.

  • Goldi
  • Goldis Avatar
  • Platinum Boarder
  • Platinum Boarder
  • Reifen- und KFZ-Monteur
  • Beiträge: 1847
  • Dank erhalten: 1139
11 Nov 2017 22:23 #138960 von Goldi
Type 2 Buchse

dingdong schrieb:

Goldi schrieb:

dingdong schrieb: ..............dort wo Renault die Aufnahme für den Stecker gedacht hatte im Kabelfach.(benutzt überhaupt den Jemand?)


Nachdem mir E-Klaus gezeigt hat wie man das Kabel richtig verstaut, ja, immer!


Bist wohl Beamter! :P


Muss ich nochmal drauf antworten!

"Frag das mal lieber andere :mrgreen:"

2013 Twizy #1 Goldi: Color 4/2012, Lader 2.Gen., OVMS 2, Korea Fenster, AHK, Parrot mit DAB+, Smart Brabus Ledersitz mit Heizung,
Getriebezusatzlager. usw.
Seit 2022 Twizy #2 Bj 2012, OVMS 2, Korea Scheiben, Bluetooth/Freisprech Lösung aus Korea.

Reifen: 145/70R13 und 165/70R13 auf original Alu

Bitte Anmelden oder Registrieren um der Konversation beizutreten.

  • Ulli-et-Tom
  • Ulli-et-Toms Avatar
  • Platinum Boarder
  • Platinum Boarder
  • Beiträge: 2624
  • Dank erhalten: 1950
12 Nov 2017 15:50 - 12 Nov 2017 16:00 #139010 von Ulli-et-Tom
Type 2 Buchse
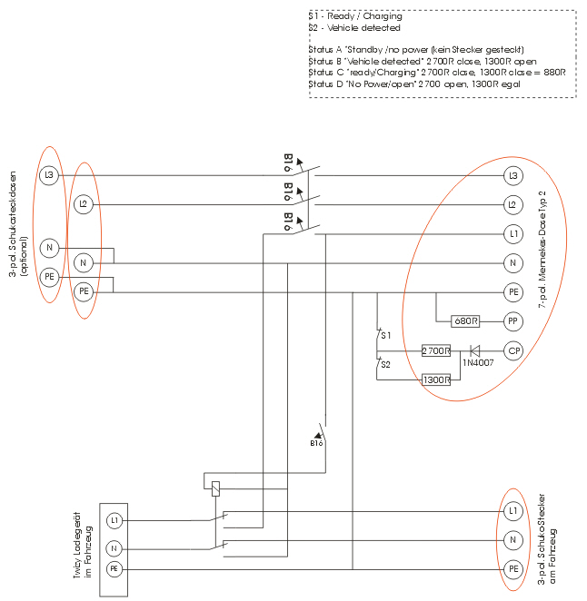
...hab mal eben etwas gezeichnet - so könnte es funktionieren. Oder was meint ihr ? würde man damit eine Freigabe der Ladestation bekommen ? Ich denke ja....

LG Tom



Twizylino 08-2012 I ToM I OVMS V3 I V:145/70R13 I H:145/80R13 I Alu I TfL I Zusatzlager I 10,5kWh Akku
Twizy(Hummel) Cargo 08-2015 I ToM I OVMS V3 I V:145/70R13 I H:145/80R13 I Alu I TfLI Zusatzlager I 10,5kWh Akku

tcb-info[at]web.de

Threema: MJRBDTEE

RTT2022 Nr.18
RTT2025 Nr.?? (gab es Nummern?)
Anhänge:
Letzte Änderung: 12 Nov 2017 16:00 von Ulli-et-Tom.
Folgende Benutzer bedankten sich: GeölterBlitz

Bitte Anmelden oder Registrieren um der Konversation beizutreten.

  • Großstadtfahrer
  • Großstadtfahrers Avatar
  • Moderator
  • Moderator
  • Ein kleiner Twizy in der großen Stadt
  • Beiträge: 5020
  • Dank erhalten: 2107
12 Nov 2017 17:17 #139022 von Großstadtfahrer
Type 2 Buchse
Der lader liefert zumindest ein "Charge Ready" über eine schwarze Signalleitung. Ob auch ein "Vehicle Detect" , kann ich dir nicht sagen.
Kannst dir also ein paar Komponenten sparen

Gruß
Frank

Twizy Technic Schwarz 11/2013 - 11/2015 40000km
Twizy Cargo Weiß 11/2015 - 12/2016 15000km
Twizy Cargo Rot/Schwarz 02/2017 - Heute 48000km


Bei Fragen einfach PN an mich. Ich kenne den Admin ganz gut :-P

Bitte Anmelden oder Registrieren um der Konversation beizutreten.

  • GeraldR
  • GeraldRs Avatar
  • Pro Boarder
  • Pro Boarder
  • Beiträge: 401
  • Dank erhalten: 209
13 Nov 2017 11:30 #139065 von GeraldR
Type 2 Buchse
Die Steuersicherung wäre auch nicht umbedingt notwendig, wenn du die Spannung für das Steuerschütz nach der Hauptsicherung wegnimmst.

LG Gerald :)

Bitte Anmelden oder Registrieren um der Konversation beizutreten.

  • dingdong
  • dingdongs Avatar
  • Platinum Boarder
  • Platinum Boarder
  • Die Macht möge uns helfen zu überleben
  • Beiträge: 4182
  • Dank erhalten: 2525
13 Nov 2017 18:38 #139105 von dingdong
Type 2 Buchse
Wieso einfach, wenn es auch kompliziert geht.

Wenn Du doch die Buchse vorne einbauen möchtest, legst Du ein Kabel von der Buchse ans Ladekabelfach und montierst dort eine Steckdose.
Dann sparst Du Dir diese ganze Stromlos-Schalterei und Du hast immer noch das Originalkabel was Du bei Bedarf aus der Steckdose im Fach ziehst um eine externe Dose zu benutzen. Und selbst wenn dann einer einen Typ 2 an die Buchse einstöpselt hast Du nur eine reguläre Steckdose unter Strom, oder schaltest Du Zuhause auch alle Steckdosen stromlos.

Nie wieder Faschismus
(1. Twizy-Deutschland-Tour)
Bad Homburg-Norddeich-München-Bad Homburg
17.07-29.07.2014 2304 km
Die Macht möge mit den Rechtschaffenen sein!
Folgende Benutzer bedankten sich: Saarlodrie, micstriit, Berthold, Green_Pirate

Bitte Anmelden oder Registrieren um der Konversation beizutreten.

  • Großstadtfahrer
  • Großstadtfahrers Avatar
  • Moderator
  • Moderator
  • Ein kleiner Twizy in der großen Stadt
  • Beiträge: 5020
  • Dank erhalten: 2107
13 Nov 2017 18:44 - 13 Nov 2017 18:44 #139106 von Großstadtfahrer
Type 2 Buchse
Abgesehen vom Platzmangel und einer Wind-/Wetter-/Salz ausgesetzen Schuko im Fach eigentlich eine lustige Idee :evil:

Gruß
Frank

Twizy Technic Schwarz 11/2013 - 11/2015 40000km
Twizy Cargo Weiß 11/2015 - 12/2016 15000km
Twizy Cargo Rot/Schwarz 02/2017 - Heute 48000km


Bei Fragen einfach PN an mich. Ich kenne den Admin ganz gut :-P
Letzte Änderung: 13 Nov 2017 18:44 von Großstadtfahrer.

Bitte Anmelden oder Registrieren um der Konversation beizutreten.

  • dingdong
  • dingdongs Avatar
  • Platinum Boarder
  • Platinum Boarder
  • Die Macht möge uns helfen zu überleben
  • Beiträge: 4182
  • Dank erhalten: 2525
13 Nov 2017 19:01 #139108 von dingdong
Type 2 Buchse

Großstadtfahrer schrieb: Abgesehen vom Platzmangel und einer Wind-/Wetter-/Salz ausgesetzen Schuko im Fach eigentlich eine lustige Idee :evil:


Keine lustige Idee!
Das wird bei mir so gebaut. Im Moment wieder mal gehandicapt durch Hand-OP braucht es noch ein paar Tage.
Sowie alles fertig wird, folgen Bilder.
Vorne ist es recht trocken im Ladekabelfach und dort wo regulär (für Beamte und Waldorflehrer) der Stecker ruht, passt problemlos eine
Einbau-Schuko. Da kann er dann einfach stecken bleiben. Bei mir kommen ja definitiv noch zwei Steckdosen unter das Armaturenbrett.
1x CEE Blau für den Zusatzlader und einmal Schuko für ..........
Also alle Phasen sicher in Steckdosen. Da braucht es keine Schutzschaltungen. Alles sicher.

Nie wieder Faschismus
(1. Twizy-Deutschland-Tour)
Bad Homburg-Norddeich-München-Bad Homburg
17.07-29.07.2014 2304 km
Die Macht möge mit den Rechtschaffenen sein!

Bitte Anmelden oder Registrieren um der Konversation beizutreten.

  • Pfälzer68
  • Pfälzer68s Avatar
  • Platinum Boarder
  • Platinum Boarder
  • Beiträge: 8580
  • Dank erhalten: 5204
13 Nov 2017 20:47 #139117 von Pfälzer68
Type 2 Buchse
Hi.

Dingdong... ich weiß, es ist Dir wurscht... :mrgreen: aber wäre nicht auf der Aussenseite des Fachs, quasi da wo der hintere Teil der Einbauschuko ist Platz für ein mini ip Gehäuse? Dann wäre der Anschlussraum trocken. Oder Du steckst ein Stück ( 10cm )passenden, schmelzklebenden Schrumpfschlauch drüber und presst das Ende mit dem Leitungsausgang platt. Sind imho 42mm Einbaudurchmesser.
Folgende Benutzer bedankten sich: dingdong

Bitte Anmelden oder Registrieren um der Konversation beizutreten.

  • Goldi
  • Goldis Avatar
  • Platinum Boarder
  • Platinum Boarder
  • Reifen- und KFZ-Monteur
  • Beiträge: 1847
  • Dank erhalten: 1139
14 Nov 2017 00:37 #139129 von Goldi
Type 2 Buchse
Boa bin ich ein Spätzünder,
jetzt hab ich erst die DingDong Lösung verstanden!
Ist ja Genial, und Logisch,
außerdem kann ich den Schukostecker dann an der alten Position geparkt lassen.
Nur wie das mit dem Geschwafel zwischen Säule und Fahrzeug umgesetzt wird hab ich noch nicht so ganz
realisiert. Aber auch da wird der Cent irgendwann fallen!

2013 Twizy #1 Goldi: Color 4/2012, Lader 2.Gen., OVMS 2, Korea Fenster, AHK, Parrot mit DAB+, Smart Brabus Ledersitz mit Heizung,
Getriebezusatzlager. usw.
Seit 2022 Twizy #2 Bj 2012, OVMS 2, Korea Scheiben, Bluetooth/Freisprech Lösung aus Korea.

Reifen: 145/70R13 und 165/70R13 auf original Alu

Bitte Anmelden oder Registrieren um der Konversation beizutreten.

   Become a Patron