Twizy BMS Entwicklung

  • TwizyChrisy
  • TwizyChrisys Avatar
  • 10k Boarder
  • 10k Boarder
  • Der Trend geht klar zum Zweittwizy äähhh....
  • Beiträge: 20486
  • Dank erhalten: 13166
19 Sep 2018 18:23 #158045 von TwizyChrisy
Twizy BMS Entwicklung

Normag schrieb: Ich bin einfach immer wieder begeistert und lese gerne mit, verstehen tu ich allerdings rein gar nichts.
Trotzdem weiter so, meinen Respekt habt Ihr/Du auf jeden Fall.


Diesen beiden Aussagen schließe ich mich vollumfänglich an :-)

Mehr Twizys, mehr Freude.

Bitte Anmelden oder Registrieren um der Konversation beizutreten.

  • Goldi
  • Goldis Avatar
  • Platinum Boarder
  • Platinum Boarder
  • Reifen- und KFZ-Monteur
  • Beiträge: 1871
  • Dank erhalten: 1159
20 Sep 2018 04:22 #158083 von Goldi
Twizy BMS Entwicklung

TwizyChrisy schrieb:

Normag schrieb: Ich bin einfach immer wieder begeistert und lese gerne mit, verstehen tu ich allerdings rein gar nichts.
Trotzdem weiter so, meinen Respekt habt Ihr/Du auf jeden Fall.


Diesen beiden Aussagen schließe ich mich vollumfänglich an :-)


Dito! :)

2013 Twizy #1 Goldi: Color 4/2012, Lader 2.Gen., OVMS 2, Korea Fenster, AHK, Parrot mit DAB+, Smart Brabus Ledersitz mit Heizung,
Getriebezusatzlager. usw.
Seit 2022 Twizy #2 Bj 2012, OVMS 2, Korea Scheiben, Bluetooth/Freisprech Lösung aus Korea.

Reifen: 145/70R13 und 165/70R13 auf original Alu

Bitte Anmelden oder Registrieren um der Konversation beizutreten.

  • bm3
  • bm3s Avatar
  • Platinum Boarder
  • Platinum Boarder
  • Beiträge: 3333
  • Dank erhalten: 97
21 Sep 2018 11:45 - 21 Sep 2018 11:50 #158187 von bm3
Twizy BMS Entwicklung
Ich bewundere ja edriver dafür wie er das hier so professionell durchzieht, obwohl ich vor langer Zeit einmal auf eine Anfrage per PN von ihm keine Antwort erhielt, aber das BMS nimmt seine freie Zeit wohl voll und ganz in Anspruch.
Manch einer hier kann sich nur schwer vorstellen wieviele unzählige Stunden für so ein Arbeit draufgehen und die sind edrivers " Privatvergnügen". Jeder der hier von edrivers Fleiß und Wissen profitiert und natürlich auch von der Vorarbeit des ganzen Teams dazu, sollte sich deshalb auch hier mit Kritik möglichst zurückhalten.
Nach dem was ich hier im Thread bisher so gesehen habe, wird das fertige BMS wohl voll und ganz dem aktuellen Standard in der Autoindustrie entsprechen und das ist schon eine enorme Leistung zu nennen.
Einzig zu toppen, wenn auch nur durch noch mehr Arbeit und teurer für jeden, wäre das mit einem aktiven BMS mit Ladungsumverteilung zwischen den Zellen gewesen, beispielsweise mit dem LTC3300-2 . Sowas wäre aber auch nur das letzte Sahnehäubchen oben drauf und ist bestimmt nicht nötig um gut Twizy fahren zu können.

VG:

Klaus
Letzte Änderung: 21 Sep 2018 11:50 von bm3.

Bitte Anmelden oder Registrieren um der Konversation beizutreten.

  • klausz
  • klauszs Avatar
  • Platinum Boarder
  • Platinum Boarder
  • z.zt keiner
  • Beiträge: 2150
  • Dank erhalten: 741
21 Sep 2018 13:13 #158191 von klausz
Twizy BMS Entwicklung
Ja, da kommt etwas schönes für den Twizy.

Jetzt musste ich gerade nachschauen wg. LTC3300. -> Actives Zellbalancing. Definitiv besser als passieves Banancing. (Danke).
'Außerdem sei mit dem LTC3300 dank einer Übertragungseffizienz von maximal 92 Prozent ein Zellenausgleich mit hohen Strömen (maximal 3,47 A) bei geringer Verlustleistung möglich, so dass der Zellenausgleich schneller erfolgen kann. .. Alle Balancer können voneinander unabhängig und simultan arbeiten und unterstützen Lade-/Entladeströme bis 10 A.'
www.smarterworld.de/smart-components/halbleiter/artikel/96577/

Als leicht fachfremder - der allerdings schon etwas Lehrgeld gezahlt hat - stelle ich mir allerdings die Frage was ein Balancing bringt wenn der kleinste Ladestrom 5A beträgt und der Motor selbst bei Schrittgeschwindigkeit mindestens ca 10A benötigt. Der Balance kann - wenn es um das bestmögliche Ausnutzen der Zellkapazitäten geht - eigentlich nur über längere Zeit am stehenden Fahrzeug sinnvoll arbeiten (max 3,47A).
Ein anderer Punkt ist das abgleichen der Zellen damit diese - am besten über Bottom Balancing - identische Startbedingungen vor dem Laden (ggf entladen haben). Die kostengünstigen am Markt befindlichen BMS könenn das nicht. Bei den teuren wird viel in sinnlose Wärme umgesetzt. (Falls ich was nicht begriffen habe lass es mich wissen).
-> ggf sollten wir dafür einen separaten Thread eröffnen.

Ein zweiter Punkt sind die Kosten. Kaum jemand wird bereit sein wollen mehr als 3000 oder 3500€ für eine neue Fremdakkubox (dann am besten mit doppelter Kapazität) investieren zu wollen. Definitiv keine 50 Personen.

Einer Antwort von Pascal will ich aber nicht vorgreifen.

Bitte Anmelden oder Registrieren um der Konversation beizutreten.

  • dexter
  • dexters Avatar
  • Moderator
  • Moderator
  • Beiträge: 6059
  • Dank erhalten: 4264
21 Sep 2018 14:50 #158193 von dexter
Twizy BMS Entwicklung
Aktives Balancing ist nicht generell besser als passives, wie immer kommt es auf den Anwendungsfall und die Gesamtbetrachtung an.
liionbms.com/php/wp_passive_active_balancing.php

Bottom Balancing ist ein Versuch, ohne Einzelzellen-BMS auszukommen, die Theorie dahinter basiert aber auf gefährlichen und falschen Annahmen.
Mit Einzelzellenüberwachung ist egal wo man balanciert, am besten einfach bei jeder Spannung, so wie es das LG-BMS tut.
www.twizy-forum.de/probleme-twizy/82679-...lch-kaltem-wetter-normal?start=60#150957

Michael

Twike 3 (2001) … Emco Novum (2011) … Twizy 80 (2012) … Mii electric+ (2020)

dexters-web.de
Folgende Benutzer bedankten sich: klausz, edriver

Bitte Anmelden oder Registrieren um der Konversation beizutreten.

  • edriver
  • edrivers Avatar
  • Autor
  • Moderator
  • Moderator
  • Beiträge: 459
  • Dank erhalten: 1157
21 Sep 2018 21:24 - 21 Sep 2018 21:35 #158204 von edriver
Twizy BMS Entwicklung

bm3 schrieb: Ich bewundere ja edriver dafür wie er das hier so professionell durchzieht, obwohl ich vor langer Zeit einmal auf eine Anfrage per PN von ihm keine Antwort erhielt, aber das BMS nimmt seine freie Zeit wohl voll und ganz in Anspruch. .

Ich glaube in deiner PN ging es um die Hilfestellung für die Entwicklung eigenes BMS?
Leider konnte ich diese aus zeitlichen gründen nicht beantworten.

bm3 schrieb: Einzig zu toppen, wenn auch nur durch noch mehr Arbeit und teurer für jeden, wäre das mit einem aktiven BMS mit Ladungsumverteilung zwischen den Zellen gewesen, beispielsweise mit dem LTC3300-2 . Sowas wäre aber auch nur das letzte Sahnehäubchen oben drauf und ist bestimmt nicht nötig um gut Twizy fahren zu können.

Ich kenne natürlich den LTC3000-2. Der Aufwand ist immens. Es hätte das BMS erheblich verteuert und der Nutzen ist marginal.
Alle mir bekannten Serienfahrzeuge setzten daher auf passives Balancieren.

klausz schrieb: Jetzt musste ich gerade nachschauen wg. LTC3300. -> Actives Zellbalancing. Definitiv besser als passieves Banancing. (Danke).
'Außerdem sei mit dem LTC3300 dank einer Übertragungseffizienz von maximal 92 Prozent ein Zellenausgleich mit hohen Strömen (maximal 3,47 A) bei geringer Verlustleistung möglich, so dass der Zellenausgleich schneller erfolgen kann. .. Alle Balancer können voneinander unabhängig und simultan arbeiten und unterstützen Lade-/Entladeströme bis 10 A.'
www.smarterworld.de/smart-components/halbleiter/artikel/96577/

Der Text ist wahrscheinlich 1:1 aus der Presseabteilung von Linear und die wollen ja schließlich ihr Produkt verkaufen.
Die frage ist muss der Zellausgleich schneller erfolgen?
Das Balancieren soll nur die Fertigungstoleranzen hinsichtlich des Zellwirkungsgrads sowie unterschiedlicher Leckströme ausgleichen.
In der Regel langt die Zeit gegen bei ladende aus oder man setz den Ladestrom auf 0 und balanciert dann fertig.

klausz schrieb: Als leicht fachfremder - der allerdings schon etwas Lehrgeld gezahlt hat - stelle ich mir allerdings die Frage was ein Balancing bringt wenn der kleinste Ladestrom 5A beträgt und der Motor selbst bei Schrittgeschwindigkeit mindestens ca 10A benötigt. Der Balance kann - wenn es um das bestmögliche Ausnutzen der Zellkapazitäten geht - eigentlich nur über längere Zeit am stehenden Fahrzeug sinnvoll arbeiten (max 3,47A). .

Ein intelligentes BMS kennt seine Akkus und fängt schon sehr früh mit umverteilen der Energie an. Daher ist der Strom ausreichend

dexter schrieb: Mit Einzelzellenüberwachung ist egal wo man balanciert, am besten einfach bei jeder Spannung, so wie es das LG-BMS tut.

Deshalb hat das LG-BMS nur sehr kleine widerstände eingebaut, da hier genügend Zeit ist.
Leider funktioniert dieses Verfahren mit LiFePo Akkus nicht, da diese einen sehr flachen Spannungsverlauf haben.

dexter schrieb: → www.twizy-forum.de/probleme-twizy/82679-...lch-kaltem-wetter-normal?start=60#150957

Dort werden die einzelnen Verfahren sehr gut beschrieben.

Aktuell ist das Balancieren wie folgt implementiert:
Erreicht die Zelle beim Laden eine vom Anwender vorher festgelegte Spannung und
befindet sich die Zelle mit ihrer Spannung über den Spannungsdurchschnitt aller anderen Zellen wird die Zelle über den Entladewiderstand entladen.

Ob das jetzt für alle am Markt befindlichen Zellchemien zu 100% ausreichen wird kann ich momentan noch nicht sagen.

Daher ist für Software Revision 1.3 geplant auf "smart balancing" umzusteigen. Hierbei werden die Zellen über den kompletten Ladevorgang Balanciert.
Es werden dabei statische verfahren genutzt um den bedarf für jede einzelne Zelle vorher zu sagen.

Und wie gesagt das Balancieren soll nur die Fertigungstoleranzen hinsichtlich des Zellwirkungsgrads sowie unterschiedlicher Leckströme ausgleichen.

Gruß
edriver
Letzte Änderung: 21 Sep 2018 21:35 von edriver.
Folgende Benutzer bedankten sich: dexter, euver, klausz, Öko1

Bitte Anmelden oder Registrieren um der Konversation beizutreten.

  • edriver
  • edrivers Avatar
  • Autor
  • Moderator
  • Moderator
  • Beiträge: 459
  • Dank erhalten: 1157
23 Sep 2018 18:41 - 23 Sep 2018 19:33 #158294 von edriver
Twizy BMS Entwicklung
Der neue Prototyp wurde jetzt an einen neueren Twizy aus 2015 getestet.
Funktioniert genau wie an meinem 2013er Twity.

Hierzu wurde ein 3kWh Akkus aus Nissan Leaf Modulen in eine Alu Kiste gebaut und in den Twity Cargo eingebaut.
Der Anschluss an den Motorkontoroller ist fest, die restlichen Anschlüsse sind fliegend.
Der Akku war halb voll und wurde dann durch das Twizy Ladegerät vollgeladen.
Dabei wurde gleich der neue Filter des Stromsensors getestet, der die Störungen des Ladegeräts bei kleinen Leistungen jetzt besser unterdrückt.

Der Akku wurde aus 2 Gründen gebaut:
1. Um den Twizy nach Ausbau des gemieteten Akkus wieder nach hause zu fahren.
(Die werden schauen wenn der "Akkulose" Twizy vom Hof fährt).
2. Um später als Reichweitenverlängerer Verwendung zu finden.

Fliegende Verkabelung:


Neues BMS zum Test am Akku:


Test des Stromsensors:
Anhänge:
Letzte Änderung: 23 Sep 2018 19:33 von edriver. Begründung: Rechtschreibfehler
Folgende Benutzer bedankten sich: smartLooser, dexter, euver, klausz, Akku61, Großstadtfahrer, Snorre, Balu_Baer, Jekyll, E-Klaus, villadsen, ZE_Ralf, Pfälzer68, witzy, Ulli-et-Tom, Saarlodrie, Kerstin66, carbon_compound

Bitte Anmelden oder Registrieren um der Konversation beizutreten.

  • TwizyChrisy
  • TwizyChrisys Avatar
  • 10k Boarder
  • 10k Boarder
  • Der Trend geht klar zum Zweittwizy äähhh....
  • Beiträge: 20486
  • Dank erhalten: 13166
23 Sep 2018 21:53 #158322 von TwizyChrisy
Twizy BMS Entwicklung

edriver schrieb: (Die werden schauen wenn der "Akkulose" Twizy vom Hof fährt).



:-) Der ist echt gut :-)

Mehr Twizys, mehr Freude.

Bitte Anmelden oder Registrieren um der Konversation beizutreten.

  • dingdong
  • dingdongs Avatar
  • Platinum Boarder
  • Platinum Boarder
  • Die Macht möge uns helfen zu überleben
  • Beiträge: 4350
  • Dank erhalten: 2730
24 Sep 2018 09:31 #158347 von dingdong
Twizy BMS Entwicklung

TwizyChrisy schrieb:

edriver schrieb: (Die werden schauen wenn der "Akkulose" Twizy vom Hof fährt).



:-) Der ist echt gut :-)


Geile Nummer! :P

Nie wieder Faschismus
(1. Twizy-Deutschland-Tour)
Bad Homburg-Norddeich-München-Bad Homburg
17.07-29.07.2014 2304 km
Die Macht möge mit den Rechtschaffenen sein!

Bitte Anmelden oder Registrieren um der Konversation beizutreten.

  • villadsen
  • villadsens Avatar
  • Top Boarder
  • Top Boarder
  • Beiträge: 1023
  • Dank erhalten: 536
24 Sep 2018 13:04 #158371 von villadsen
Twizy BMS Entwicklung
At edriver: Du bist mein Held.



MfG
Thomas V.

Einer von weniger als 50 Twizyfahrer in Dänemark

Bitte Anmelden oder Registrieren um der Konversation beizutreten.

  • edriver
  • edrivers Avatar
  • Autor
  • Moderator
  • Moderator
  • Beiträge: 459
  • Dank erhalten: 1157
30 Sep 2018 20:35 #158829 von edriver
Twizy BMS Entwicklung
Nun wurde mein Selbstbau Akku aus dem 2013er Twizy ausgebaut. Hier war noch ein alter Prototyp des BMS verbaut der ja nicht mehr dem aktuellen Stand des BMS entspricht.
Außerdem war hier noch das Programmiergerät über USB angeschlossen, welches immer über USB mit Strom versorgt werden musste damit der Twizy lief.
Das hat genervt da ich immer an eine geladene USB Stromversorgung denken musste.
Daher wurde jetzt der aktuelle Prototyp eingebaut um den letzten Hardwarestand im realen betrieb zu testen.


Der Akku wurde ausgebaut:


Altes BMS mit USB Programmer:


Das neue BMS eingebaut.
Jetzt mit geschlossenen Gehäuse und ohne Programmiergerät, da man jetzt über CAN updaten kann.
Anhänge:
Folgende Benutzer bedankten sich: smartLooser, northcup, dexter, euver, Akku61, Großstadtfahrer, M4DM3N, plicher, Pfälzer68, witzy, Ulli-et-Tom, AlexDL, Kerstin66, huey, carbon_compound

Bitte Anmelden oder Registrieren um der Konversation beizutreten.

  • edriver
  • edrivers Avatar
  • Autor
  • Moderator
  • Moderator
  • Beiträge: 459
  • Dank erhalten: 1157
10 Okt 2018 21:36 - 10 Okt 2018 21:38 #159578 von edriver
Twizy BMS Entwicklung
Der Akku ist jetzt bereits 1000 km mit dem neuen BMS gelaufen.
Den ein oder anderen BUG hab ich noch in der Software gefunden und ausgebügelt.

Die Stromsensoren wurden schon gefertigt.

Rückseite mit SMD Bestückung:


Fertig mit Sensor:


Montagebeispiel, Stromsensor mit Isolierband fixiert:


Gruß
edriver
Anhänge:
Letzte Änderung: 10 Okt 2018 21:38 von edriver.
Folgende Benutzer bedankten sich: smartLooser, northcup, dexter, euver, klausz, Akku61, Elcamillo, M4DM3N, Jekyll, villadsen, Pfälzer68, brunbjoern, witzy, AlexDL, Saarlodrie, Kerstin66, Ingo71, Gelibra, carbon_compound, EVDuck

Bitte Anmelden oder Registrieren um der Konversation beizutreten.

  • edriver
  • edrivers Avatar
  • Autor
  • Moderator
  • Moderator
  • Beiträge: 459
  • Dank erhalten: 1157
01 Nov 2018 13:34 - 01 Nov 2018 14:08 #161258 von edriver
Twizy BMS Entwicklung
Der aktuelle BMS Prototyp hat jetzt 2000km hinter sich und läuft.

Die Serienplatinen sind auch schon da.



Klausz war so nett mir eines der Yazaki Adapterkabel zu schicken.
https://www.twizy-forum.de/Alternativ-Akku/84752-yazaki-kabelsatz-besteller





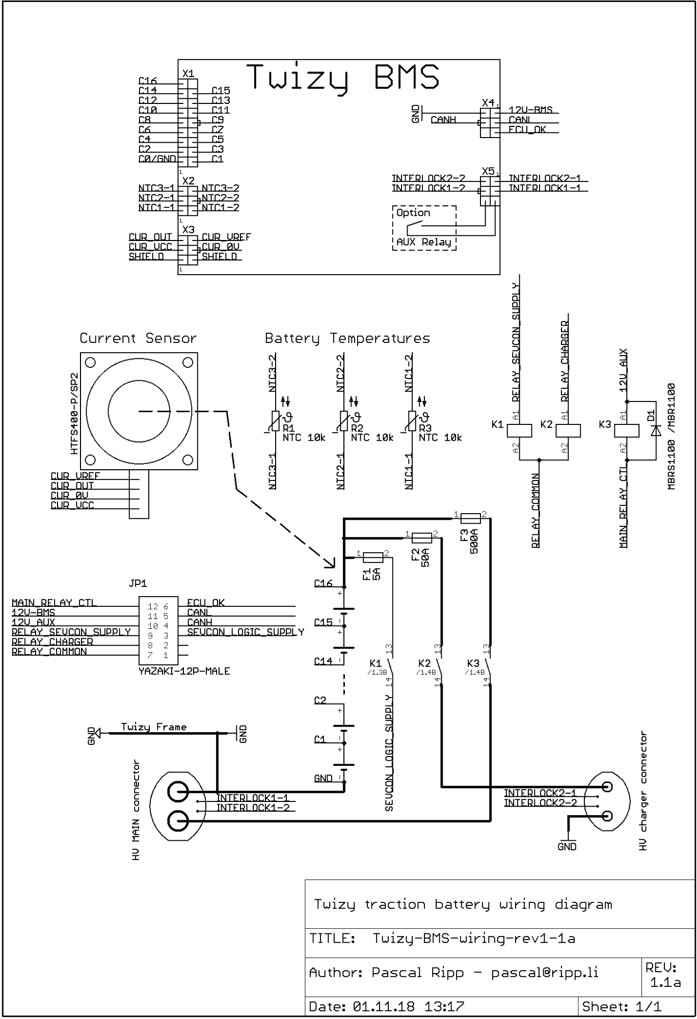
Ich habe mal einen Anschlussplan gezeichnet wie das Kabel an mein BMS angeschlossen werden kann.




Der allgemeine Twizy Verdrahtungsplan wurde nochmals etwas überarbeitet


Gruß
edriver
Letzte Änderung: 01 Nov 2018 14:08 von edriver.
Folgende Benutzer bedankten sich: smartLooser, northcup, dexter, euver, klausz, Akku61, rol6282, Großstadtfahrer, dingdong, Brotschachtel, Öko1, Jekyll, villadsen, Pfälzer68, AlexDL, Saarlodrie, Kerstin66, Nashco, carbon_compound

Bitte Anmelden oder Registrieren um der Konversation beizutreten.

  • edriver
  • edrivers Avatar
  • Autor
  • Moderator
  • Moderator
  • Beiträge: 459
  • Dank erhalten: 1157
20 Dez 2018 21:24 #164257 von edriver
Twizy BMS Entwicklung
Schnell mal ein Update bevor die ersten nervös werden...

Die ersten 11 Platinen sind schon gefertigt.
(8 auf dem Foto zu sehen).


Ich muss mir jetzt überlegen wie ich Platinen am besten teste.
Jedes BMS bekommt ein Testprotokoll.
Handbuch ist auch noch nicht fertig.
An der Software gibt es auch noch ein paar Baustellen.

Gruß
edriver
Anhänge:
Folgende Benutzer bedankten sich: northcup, dexter, euver, dingdong, Öko1, Mittelhesse, Jekyll, villadsen, brunbjoern, witzy, AlexDL, Saarlodrie, Kerstin66, Gelibra, carbon_compound

Bitte Anmelden oder Registrieren um der Konversation beizutreten.

  • Gelibra
  • Gelibras Avatar
  • Pro Boarder
  • Pro Boarder
  • Auf dem Weg zum Co2 neutralen überleben !
  • Beiträge: 577
  • Dank erhalten: 218
20 Dez 2018 21:27 - 20 Dez 2018 21:35 #164258 von Gelibra
Twizy BMS Entwicklung

edriver schrieb: Schnell mal ein Update bevor die ersten nervös werden...

Die ersten 11 Platinen sind schon gefertigt.
(8 auf dem Foto zu sehen).
[Bild entfernt wegen Lesefluss]

Ich muss mir jetzt überlegen wie ich Platinen am besten teste.
Jedes BMS bekommt ein Testprotokoll.
Handbuch ist auch noch nicht fertig.
An der Software gibt es auch noch ein paar Baustellen.

Gruß
edriver


Easy!

3 Twizy, 2 mit Dachkoffer 2 mit Catl., ESeat 600 bj.1966 mit 22kw. Catl.(Vehicle to grid funktion) ,30Kw. Peak Drehstrom Inselanlage mit 33Kw. Pylontech+ 3x6 Twizy Zellen 12kw.
Letzte Änderung: 20 Dez 2018 21:35 von edriver. Begründung: Bild entfernt wegen Lesefluss

Bitte Anmelden oder Registrieren um der Konversation beizutreten.

Moderatoren: edriver
   Become a Patron