Frontscheibenheizung Funktionsweise / Fehlersuche

  • stromkreisparadies
  • stromkreisparadiess Avatar
  • Autor
  • Platinum Boarder
  • Platinum Boarder
  • Markus
  • Beiträge: 3752
  • Dank erhalten: 1026
17 Dez 2017 13:41 - 17 Dez 2017 13:43 #140881 von stromkreisparadies
Frontscheibenheizung Funktionsweise / Fehlersuche
Hallo Leute,

da die Frontheizung ziemlich essenziell für den Twizy ist aber immer wieder sehr gern ein Eigenleben führt habe ich mich mal dran gemacht eine ordentliche Fehlersuche zu machen.
Dafür soll erstmal die genaue Funktionsweise geklärt und dann Lösungsvorschläge gesucht werden.




Den Hebel zu tauschen halte ich für ziemlich aufwendig (Lenkrad muss raus) und auch wenig hilfreich, das Problem tritt sicher wieder auf und vllt ist es garnicht der Hebel. Meine Idee war es irgendwo einen Taster hinzufriemeln der parallel zum Hebel arbeitet. Man kommt recht gut an den Stecker bei herausgenommenen Handschuhfach heran.

Für den 45er Twizy ohne Frontheizung ist übrigens der Stecker am Hebel schon nicht belegt.



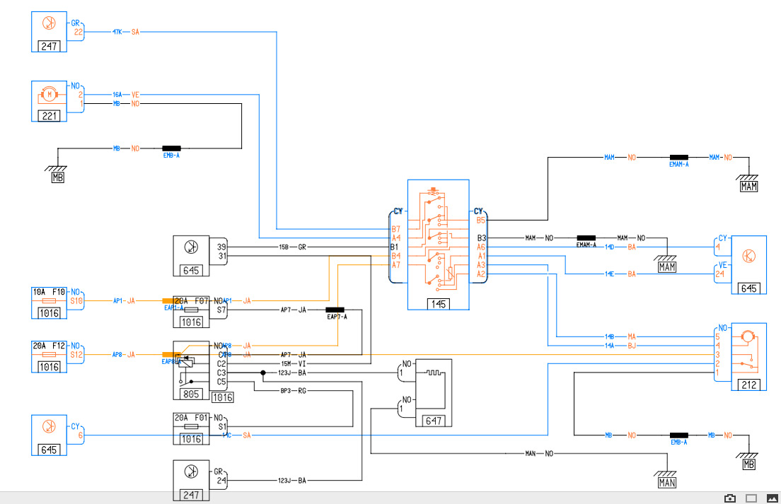
Wie man am Schaltplan sieht schaltet der Schalter die UCH, diese wiederrum schaltet das Relais (und nach 10min aus), welches die Heizung anmacht. Man sieht auch dass die Lampe im Display nur angeht wenn auch tatsächlich geheizt wird. Zieht man das Relais, geht die Lampe aus
Damit ergeben sich 3 Ansätze:
-Weg zur UCH (quasi Hebel "simulieren")
-Weg von UCH zum Relais (damit könnte die Frontheizung z.B. vom OVMS gesteuert werden oder Dauerbetrieb erreicht, aber auch evtl. der UCH Ausgang zerstört)
-Relais überbrücken. geht immer ist aber Schaltungstechnisch nicht so elegant.

Der Schaltplan ist ziemlich blöd zu lesen, ich habe das so interpretiert dass zur UCH immer eine Masseverbindung besteht und beim Ein- und Ausschalten kurz unterbrochen wird. Das lässt sich aber Messtechnisch nicht nachweisen. Überhaupt scheint das ganz anders zu sein.



Ich habe jedenfalls den Widerstand an B1 gegen Masse gemessen (alles zusammengesteckt und mit Zündung an) dort liegen ~10MOhm bei aus und ~0,7Mohm bei betätigter Scheibenheizung. Wenn ich jetzt die graue Leitung (B1) gegen Masse kurzzschließe (Toggle) tut sich garnix an der Scheibenheizung in keiner der 3 Stellungen am Hebel. Das kann es also auch nicht sein.
Auch die Spannungen sind wenig aussagekräftig, ich würde ja einen Pull-Up bzw. einen festen Spannungspegel erwarten aber da lässt sich nur Müll messen.
Ich hatte dann keinen Bock mehr bei dem Mistwetter. Der einfachste Workaround wäre einen 15A Schalter zu nehmen und mit männlichen Flachsteckkontakten an den entsprechenden Relaisplatz zu gehen, aber dann gibt es keine Automatik mehr.

Ledenfalls könnte der Fehler auch am Ein/Ausgang der UCH liegen bzw an der Software (Pull Up im Programm vergessen, funktioniert neu gerade so, aber mit "Wetter" eben nicht mehr-> d.h. ein neuer Hebel bringt garnix)

Wie sind eure Gedanken dazu?

Grüße von Markus

-> Twizy Technic, LED Tagfahrlicht, LED Innenbeleuchtung, Sitzheizung, Radio mit Freisprecheinrichtung
-> Brammo Empulse R
-> 2x Elektrofahrrad (Stadt-Trekking und Downhill für den Wald)
Anhänge:
Letzte Änderung: 17 Dez 2017 13:43 von stromkreisparadies.
Folgende Benutzer bedankten sich: euver, klausz, GeraldR, maikm

Bitte Anmelden oder Registrieren um der Konversation beizutreten.

  • Philosauph
  • Philosauphs Avatar
  • Top Boarder
  • Top Boarder
  • Beiträge: 1047
  • Dank erhalten: 377
17 Dez 2017 14:23 - 17 Dez 2017 14:38 #140883 von Philosauph
Frontscheibenheizung Funktionsweise / Fehlersuche
Danke für den Schaltplan!
Tu mir aber beim Lesen etwas schwer. Ich möchte mit einem Schalter (irgendwo am Armaturenbrett) das Relais schalten und die sinnbefreite 10min Abschaltung (und natürlich den Lenkstockhebel) umgehen. Die Anzeige im Tacho sollte dabei erhalten bleiben. Was wenn man am Relais C1, C2 mit einem Schalter ersetzt? Oder lieg ich da komplett falsch?

fragend,
der Philosauph
Letzte Änderung: 17 Dez 2017 14:38 von Philosauph.

Bitte Anmelden oder Registrieren um der Konversation beizutreten.

  • stromkreisparadies
  • stromkreisparadiess Avatar
  • Autor
  • Platinum Boarder
  • Platinum Boarder
  • Markus
  • Beiträge: 3752
  • Dank erhalten: 1026
17 Dez 2017 14:37 #140885 von stromkreisparadies
Frontscheibenheizung Funktionsweise / Fehlersuche
wenn du das tust, wirst mit ziemlicher Sicherheit bei geschlossenem Schalter den Ausgang der UCH zerstören. Was du tun könntest wäre ein Schalter zwischen Masse und C2, aber da musst du noch etwas mit Dioden rumspielen.
Ansonsten könntest du den Leitungsteil schalten, das habe ich bereits geschrieben.




Übrigens habe ich nochmal beide relevanten Schaltpläne ineinander kopiert (schwer lesbar, ich weiß) und bin auf eine andere Interpretation gekommen. Bei "Ein" und "Aus" Stellung wird kurz ein 12V Signal auf die UCH gegeben. Keine Ahnung warum ich das nicht messen konnte. Dies macht aber auch viel mehr Sinn.

Grüße von Markus

-> Twizy Technic, LED Tagfahrlicht, LED Innenbeleuchtung, Sitzheizung, Radio mit Freisprecheinrichtung
-> Brammo Empulse R
-> 2x Elektrofahrrad (Stadt-Trekking und Downhill für den Wald)
Anhänge:

Bitte Anmelden oder Registrieren um der Konversation beizutreten.

  • Philosauph
  • Philosauphs Avatar
  • Top Boarder
  • Top Boarder
  • Beiträge: 1047
  • Dank erhalten: 377
17 Dez 2017 14:44 #140886 von Philosauph
Frontscheibenheizung Funktionsweise / Fehlersuche
Meine Idee war eigentlich, dass die originale Belegung C1, C2 dem Seitenschneider zun Opfer fällt :unsure: Würde die UCH da mitmachen?

Bitte Anmelden oder Registrieren um der Konversation beizutreten.

  • stromkreisparadies
  • stromkreisparadiess Avatar
  • Autor
  • Platinum Boarder
  • Platinum Boarder
  • Markus
  • Beiträge: 3752
  • Dank erhalten: 1026
17 Dez 2017 14:56 #140887 von stromkreisparadies
Frontscheibenheizung Funktionsweise / Fehlersuche
wenn du C1 durchknibberst, was passiert dann wohl?

C2 durchschneiden und stattdessen einen schalter auf masse geht aber

Grüße von Markus

-> Twizy Technic, LED Tagfahrlicht, LED Innenbeleuchtung, Sitzheizung, Radio mit Freisprecheinrichtung
-> Brammo Empulse R
-> 2x Elektrofahrrad (Stadt-Trekking und Downhill für den Wald)

Bitte Anmelden oder Registrieren um der Konversation beizutreten.

  • Philosauph
  • Philosauphs Avatar
  • Top Boarder
  • Top Boarder
  • Beiträge: 1047
  • Dank erhalten: 377
17 Dez 2017 16:11 - 17 Dez 2017 16:37 #140889 von Philosauph
Frontscheibenheizung Funktionsweise / Fehlersuche
Hm. :question: C1 Steuerspannung Spule?
Relais hab ich schon identifiziert. Da ist ein mir verständliches Schaltsymbol drauf, heute ist es aber schon zu kalt und finster draussen.. Werd' das Minus der Spule (vermutlich C2) auf Masse schalten probieren, da sollte nix passieren. Und dann einen schönen Schalter (der trägt nur Steuerspannung?) suchen und ein Loch bohren und feilen B)

Danke
Letzte Änderung: 17 Dez 2017 16:37 von Philosauph.

Bitte Anmelden oder Registrieren um der Konversation beizutreten.

  • TwizyChrisy
  • TwizyChrisys Avatar
  • 10k Boarder
  • 10k Boarder
  • Der Trend geht klar zum Zweittwizy äähhh....
  • Beiträge: 19777
  • Dank erhalten: 12038
17 Dez 2017 20:11 #140904 von TwizyChrisy
Frontscheibenheizung Funktionsweise / Fehlersuche

Philosauph schrieb: und ein Loch bohren und feilen



Kann da nicht einer unserer Gurus ne Äpp dafür schreiben :-)


Mal ohne Schmarrn... wenn die Funktion über diese -für mich- geheimnisumwitterte schwarze UCH-Box gesteuert wird, kann man
das Teil nicht auch irgendwie anders -softwaregesteuert- davon überzeugen die Scheibenheizung einzuschalten?

Mehr Twizys, mehr Freude.

Bitte Anmelden oder Registrieren um der Konversation beizutreten.

  • BinKino
  • BinKinos Avatar
  • Platinum Boarder
  • Platinum Boarder
  • 《》
  • Beiträge: 7611
  • Dank erhalten: 2641
17 Dez 2017 20:39 #140911 von BinKino
Frontscheibenheizung Funktionsweise / Fehlersuche
Sollte gehen können :)
Die Liste mit "Fragen" zu den Twizy Internas wird immer länger :D


Der einfachste Weg wäre wirklich, nach dem UCH auftrennen, und das Relais über einen Schalter direkt zu steuern. Man verliert dann die Zeitautomatik. Was aber durch Einsatz eines anderen Relais, das die Funktion schon mit drin hat, wieder bereit stellen könnte.
Müsste man mal durch die in anderen Fahrzeugen verbauten Relais schauen.
(ich jetzt wieder vom Scorpio schwärme...) da war noch alles "neudeutsch diskret" mit einzelnen Relais so gesteuert. Wenn ich mal wieder im Keller bin und dran denke, werde ich die Kisten mal durchwühlen, iWo hab ich noch die "Gehirne" eines geschlachteten Scorpio liegen.

《》 Twizy 80 04/2016 & Zoe R240 11/2015 《》
❌ Halbinsel PV 5,7 kWp, 30 kWh LFP4
❌ Youtube: www.youtube.com/c/a68k_de
❌ EV Wiki Twizy & Zoe: a68k.de/evwiki/doku.php?id=start
#proadblocker
_ _ _ _ _ _ #clippy _ _ _ _ _ _

Bitte Anmelden oder Registrieren um der Konversation beizutreten.

  • dingdong
  • dingdongs Avatar
  • Platinum Boarder
  • Platinum Boarder
  • Die Macht möge uns helfen zu überleben
  • Beiträge: 4187
  • Dank erhalten: 2528
18 Dez 2017 00:04 #140931 von dingdong
Frontscheibenheizung Funktionsweise / Fehlersuche
Also die Idee mit einem einfachen Schalter lag bei mir auch schon im großen Todo-Karton.
Aber wenn ich so heute Abend lese, was noch so alles im Argen liegt, bedarf es wohl eines größeren Workarounds in Franken.

Ich frag mich nur, was die Nachbarn sagen wenn die Zigeunerkarawane eine Woche halt macht an der Halle von TC! ;)

Nie wieder Faschismus
(1. Twizy-Deutschland-Tour)
Bad Homburg-Norddeich-München-Bad Homburg
17.07-29.07.2014 2304 km
Die Macht möge mit den Rechtschaffenen sein!

Bitte Anmelden oder Registrieren um der Konversation beizutreten.

  • Ray
  • Rays Avatar
  • Expert Boarder
  • Expert Boarder
  • Beiträge: 286
  • Dank erhalten: 59
18 Dez 2017 12:11 - 18 Dez 2017 12:18 #140954 von Ray
Frontscheibenheizung Funktionsweise / Fehlersuche
C3 / C5 ist der schaltkontakt für Heizung und Anzeige Tacho
aber oben ist für mich unklar wie der hebel belegt ist.
die grosse klammer am hebel vorn und hinten????? jeweils nur 2 drähte???
ray
Letzte Änderung: 18 Dez 2017 12:18 von Ray.

Bitte Anmelden oder Registrieren um der Konversation beizutreten.

  • TwizyChrisy
  • TwizyChrisys Avatar
  • 10k Boarder
  • 10k Boarder
  • Der Trend geht klar zum Zweittwizy äähhh....
  • Beiträge: 19777
  • Dank erhalten: 12038
18 Dez 2017 15:03 #140962 von TwizyChrisy
Frontscheibenheizung Funktionsweise / Fehlersuche

dingdong schrieb: Also die Idee mit einem einfachen Schalter lag bei mir auch schon im großen Todo-Karton.
Aber wenn ich so heute Abend lese, was noch so alles im Argen liegt, bedarf es wohl eines größeren Workarounds in Franken.

Ich frag mich nur, was die Nachbarn sagen wenn die Zigeunerkarawane eine Woche halt macht an der Halle von TC! ;)


Pah... Gewerbegebiet... juckt keine Sau :-)

Mehr Twizys, mehr Freude.
Folgende Benutzer bedankten sich: klausz

Bitte Anmelden oder Registrieren um der Konversation beizutreten.

  • BinKino
  • BinKinos Avatar
  • Platinum Boarder
  • Platinum Boarder
  • 《》
  • Beiträge: 7611
  • Dank erhalten: 2641
18 Dez 2017 16:57 - 18 Dez 2017 16:58 #140965 von BinKino
Frontscheibenheizung Funktionsweise / Fehlersuche

Ray schrieb: C3 / C5 ist der schaltkontakt für Heizung und Anzeige Tacho
aber oben ist für mich unklar wie der hebel belegt ist.
die grosse klammer am hebel vorn und hinten????? jeweils nur 2 drähte???
ray


Hier wurde die Belegung Hebel gepostet:
www.twizy-forum.de/media/kunena/attachments/4624/steckerbelegung.jpg

Vom Hebel aus Anschlußkontakt B1 ist der Taster abgehend zum UCH
Am Hebel ist der zum Taster dazugehörige zweite Anschlußkontakt der B3 und geht an Masse (Minus)

B1 an UCH 39, --- vom UCH geschaltet dann abgehend 31 an das Relais C2

Schaltkontakte abgehend für an die Heizung am Relais ist C3 und C5

Das UCH schaltet ein Minus raus, um das Relais zum Anzug zu bringen.

Will man also den Taster durch einen anderen Schalter ersetzen oder Lenkstockschalter mit Schaltfunktion, könnte/müsste man nur die Verbindung UCH 31 an Relais C2 auftrennen und am Relais C2 an den Schalter, der gegen Minus schaltet, ändern.
Verliert aber die Zeitabschaltung (die man manchmal gerne manuell einstellbar hätte)

《》 Twizy 80 04/2016 & Zoe R240 11/2015 《》
❌ Halbinsel PV 5,7 kWp, 30 kWh LFP4
❌ Youtube: www.youtube.com/c/a68k_de
❌ EV Wiki Twizy & Zoe: a68k.de/evwiki/doku.php?id=start
#proadblocker
_ _ _ _ _ _ #clippy _ _ _ _ _ _
Letzte Änderung: 18 Dez 2017 16:58 von BinKino.

Bitte Anmelden oder Registrieren um der Konversation beizutreten.

  • weiss60
  • weiss60s Avatar
  • Platinum Boarder
  • Platinum Boarder
  • Beiträge: 1699
  • Dank erhalten: 378
18 Dez 2017 22:17 #140993 von weiss60
Frontscheibenheizung Funktionsweise / Fehlersuche
Hallo :-)
Mein wissen darüber:
Bei mir und bei einigen anderen hat die schalterbehandlung gehofen.

Ich habe den schalter offen gehabt. Darin sind nur die leiterbahnen untergebracht und somit wurde der wieder geschlossen.
Auf dem schalter sind sämtliche kontakte offen zu sehen - siehe link unten.
Der drehteil von der scheibenheizung bewegt über einen stift an deren ende eine kugel sitzt den weißen kunstoffschlitten der an der unterseite eine leiterbahn hat. Auf die art wird fur die dauerdes drehens ein kontakt geschlossen, danach geht der drehteil wieder in die ausgangsposition zurück.
Die schwarzen kugel, die den weißen kunstoffschlitten bewegt, hat aber eine doppelfunktion!
Die gibt beim drücken der menütaste den weg weiter an die kupferwippe die an der linken seite des kunststschlitten zu sehen ist.
Das war bei meinem T der grund für die OP. Dreht man die scheibenheizung an oder aus UND drückt gleichzeitig die menütaste reißt es einem die kupferwippe nieder. Somit hat man danach keine funktion auf der menütaste.

www.twizy-forum.de/probleme-twizy/82802-taster-fuer-displayanzeige-haengt#119476

Euer werner ad geschrieben auf einem brettchen im urlaub :whistle:

Bitte Anmelden oder Registrieren um der Konversation beizutreten.

  • weiss60
  • weiss60s Avatar
  • Platinum Boarder
  • Platinum Boarder
  • Beiträge: 1699
  • Dank erhalten: 378
20 Dez 2017 19:39 - 20 Dez 2017 19:42 #141086 von weiss60
Frontscheibenheizung Funktionsweise / Fehlersuche
hallo B)
bin wieder zuhause und berichtige gleich mal meinen beitrag. :sick:

weiss60 schrieb: Hallo :-)
Mein wissen darüber:
Bei mir und bei einigen anderen hat die schalterbehandlung gehofen.

Ich habe den schalter offen gehabt. Darin sind nur die leiterbahnen untergebracht und somit wurde der wieder geschlossen.
Auf dem schalter sind sämtliche kontakte offen zu sehen - siehe link unten.
Der drehteil von der scheibenheizung bewegt über einen stift an deren ende eine kugel sitzt den weißen kunstoffschlitten der an der unterseite eine leiterbahn hat. Auf die art wird fur die dauerdes drehens ein kontakt geschlossen, danach geht der drehteil wieder in die ausgangsposition zurück.
Die schwarzen kugel, die den weißen kunstoffschlitten bewegt, hat aber eine doppelfunktion!
Die gibt beim drücken der menütaste den weg weiter an die kupferwippe die an der linken seite des kunststschlitten zu sehen ist.
Das war bei meinem T der grund für die OP. Dreht man die scheibenheizung an oder aus UND drückt gleichzeitig die menütaste reißt es einem die kupferwippe nieder. Somit hat man danach keine funktion auf der menütaste.

www.twizy-forum.de/probleme-twizy/82802-taster-fuer-displayanzeige-haengt#119476

Euer werner ad geschrieben auf einem brettchen im urlaub :whistle:

ich sollte keine solchen technischen beiträge verfassen OHNE zugriff auf meine bilder zu haben - sorry dafür. :whistle:

so nun zum thema was:
also die kontakte sind alle innen verbaut.

ich habe die bilder diesmal beschriftet damit dürfte alles klar sein was sich im rechten schalter so abspielt.



die "menüwippe" hat am ende 2 zungen. die eine zunge muss immer unten sein - die drückt die wippe nach oben. die andere zunge darf max. nur so weit nach oben gebogen sein wie der weg vom kugelkopf zurück legen kann.



hoffe alles geklärt zu haben,

euer werner ad
Anhänge:
Letzte Änderung: 20 Dez 2017 19:42 von weiss60.
Folgende Benutzer bedankten sich: klausz, yifter, maikm

Bitte Anmelden oder Registrieren um der Konversation beizutreten.

  • stromkreisparadies
  • stromkreisparadiess Avatar
  • Autor
  • Platinum Boarder
  • Platinum Boarder
  • Markus
  • Beiträge: 3752
  • Dank erhalten: 1026
09 Jan 2018 10:24 #141982 von stromkreisparadies
Frontscheibenheizung Funktionsweise / Fehlersuche
Okay, meine Scheibenheizung funktioniert in letzer Zeit zuverlässig (aber anders als vorgesehen) deswegen ein paar Erkenntnisse:

-Irgendwas in den Hebel zu sprühen bringt garnix. dort passiert elektrisch nix, die Kontaktierung ist hinter dem Lenkrad

-etwas parallel zum Hebel zu betreiben geht nicht. die UCH erwartet einen Signalwechsel von 12V auf Masse, deswegen kann man nicht einfach nur 12v oder Masse tasten, das gibt nen Kurzschluss im Hebel

Grüße von Markus

-> Twizy Technic, LED Tagfahrlicht, LED Innenbeleuchtung, Sitzheizung, Radio mit Freisprecheinrichtung
-> Brammo Empulse R
-> 2x Elektrofahrrad (Stadt-Trekking und Downhill für den Wald)

Bitte Anmelden oder Registrieren um der Konversation beizutreten.

   Become a Patron