100 km - das ist kein Scherz mehr

  • vicar21
  • vicar21s Avatar
  • Autor
  • Junior Boarder
  • Junior Boarder
  • Mehr Reichweite mit geringer Verbrauch
  • Beiträge: 73
  • Dank erhalten: 97
11 Mär 2019 03:41 #169000 von vicar21
100 km - das ist kein Scherz mehr

Goldbacher schrieb: Kann man nicht zwei kleine Motoren direkt an die Hinterräder bauen und damit auch das Getriebe weglassen? Kann man mit dem Sevcon zwei parallel geschaltete Motoren betreiben?

Ich glaube es ist möglich. Der Zeit habe ich die Motoren 72 V und wir benutzen ihn mit dem Controller 350 A.
www.as-pp.asia/index.php/en/electric-motors

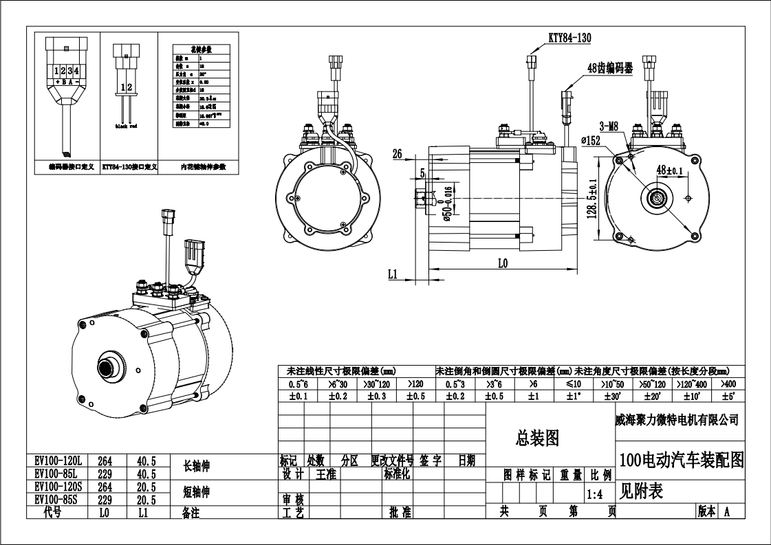
Die gesamte Länge des Motor ist 264 mm. Die Leistungs und Drehmoment Tabelen von der Labor habe ich noch nicht von diesem Motor. Nur von einem kleinerem. Welche zeigt 99,4 Nm bei 450A phasen Strom.
Dieser Motor ist 35 mm länger.
Nur der Motor ist für 72 V ausgelegt. Bei 50,4V er verliert die Geschwindigkeit. Der zeit er fährt bis zur 6500 rpm. Das ist 65 km/h bei der kleinem LKW (800 kg) mit der 1/12 Getriebe und 12" Reifen.
Motor Gewicht 20,6 kg
Der Fahrzeug so wie Twizy fahrt bis zu 70 km/h aber mit eine Getriebe 1/8 und derzeit 10" Reifen.

Energieeffiziente Motoren
E-Kangoo mit dem AS-PP Motor
Twizy mit ASPP Motor
Anhänge:

Bitte Anmelden oder Registrieren um der Konversation beizutreten.

  • vicar21
  • vicar21s Avatar
  • Autor
  • Junior Boarder
  • Junior Boarder
  • Mehr Reichweite mit geringer Verbrauch
  • Beiträge: 73
  • Dank erhalten: 97
11 Mär 2019 07:42 #169003 von vicar21
100 km - das ist kein Scherz mehr
Nur mit dem Sevcon und zwei Motoren, bin ich nicht sicher. Der Controller schaft nicht die Doppelte Leistung und zwei Motoren mit 350-400A zu versorgen.
Aber ich kann vorstellen, dass der Sevcon ein Motor antreibt und der zweite Motor mit dem günstigen unserem Controller wird angetrieben. Controller wird automatisch auf die benötigte Leistung angepasst, und der andere Controller auch. Jeder Controller leistet was die Motoren brauchen. Es muss nur die Batterie schaffen zwei mal 350-400A zu geben.
Und ich habe gerade den Drehmoment umgerechnet. 55 Nm x 9,23 = 507,65 Nm auf die Räder Achse sollte sein.
Für den Start ist zu wenig, aber die Räder drehen sich mit max 785 rpm (auf die Achse sollte noch 203 Nm sein)
Und die zwei Motoren schafen bis zu 6500und haben am ende ca.20 Nm x 2=40 Nm.
So- man brauch eine Übersetzun 6:1
Start ca. 200 x 6 = 1200 Nm
1085 rpm statt 785 mit 240 Nm. Noch besser 7:1, dann hat man 99 km/h und genug Drehmoment um die Reifen zu verbrennen.

So dierekte Antrieb mit zwei Motoren wird nicht genug sein.

Energieeffiziente Motoren
E-Kangoo mit dem AS-PP Motor
Twizy mit ASPP Motor

Bitte Anmelden oder Registrieren um der Konversation beizutreten.

  • Goldbacher
  • Goldbachers Avatar
  • Platinum Boarder
  • Platinum Boarder
  • Beiträge: 4393
  • Dank erhalten: 2066
11 Mär 2019 08:21 - 11 Mär 2019 08:22 #169006 von Goldbacher
100 km - das ist kein Scherz mehr
Vielleicht reichen Riemenantriebe aus, da sollte 7:1 kein Problem sein. Wenn man zwei davon hat, schafft man es noch bis nach Hause, falls einer reisst.
Letzte Änderung: 11 Mär 2019 08:22 von Goldbacher.

Bitte Anmelden oder Registrieren um der Konversation beizutreten.

  • vicar21
  • vicar21s Avatar
  • Autor
  • Junior Boarder
  • Junior Boarder
  • Mehr Reichweite mit geringer Verbrauch
  • Beiträge: 73
  • Dank erhalten: 97
20 Sep 2019 15:26 - 20 Sep 2019 15:36 #182479 von vicar21
100 km - das ist kein Scherz mehr
Schließlich wurde die Arbeit an meinem Twizy fortgesetzt.
Da während des Transports von Deutschland nach Moskau die Batterie an die Renault Bank abgegeben werden musste, befinden sich nun mehr als 12 kWh 72 V Batterie am selben Ort.
Den neuen AKKU könnt ihr hier sehen ab 48 sec


Das Video ist in russischer Sprache, aber bei 1 Minute und 40 Sekunden können Sie sehen, wie Twizi beim Start mit den Rädern dreht.
Der Sevcon-Controller wurde durch Curtis ersetzt, und natürlich funktioniert die Anzeige nicht, während der ursprüngliche, der Cycle-Analyst, als Anzeige installiert wurde.

Probleme mit den Bremsen sind vollständig gelöst und die Bremse schleift nicht mehr, was den Verbrauch um ca. 10% weiter senkt
Weitere Infos werde ich hier später sreiben.

Energieeffiziente Motoren
E-Kangoo mit dem AS-PP Motor
Twizy mit ASPP Motor
Letzte Änderung: 20 Sep 2019 15:36 von vicar21.
Folgende Benutzer bedankten sich: dexter, euver, klausz, rol6282, weiss60, dingdong, Floschi, Kerstin66, AndiEcker, dauni30

Bitte Anmelden oder Registrieren um der Konversation beizutreten.

  • euver
  • euvers Avatar
  • Platinum Boarder
  • Platinum Boarder
  • Beiträge: 3869
  • Dank erhalten: 1201
21 Sep 2019 14:22 #182516 von euver
100 km - das ist kein Scherz mehr
Der Akku sieht professionell, beziehungsweise industriell aus.

Bitte Anmelden oder Registrieren um der Konversation beizutreten.

  • dexter
  • dexters Avatar
  • Moderator
  • Moderator
  • Beiträge: 6059
  • Dank erhalten: 4264
21 Sep 2019 20:48 #182538 von dexter
100 km - das ist kein Scherz mehr
Chevrolet Bolt habe ich als Spender herausgehört.

Michael

Twike 3 (2001) … Emco Novum (2011) … Twizy 80 (2012) … Mii electric+ (2020)

dexters-web.de
Folgende Benutzer bedankten sich: euver

Bitte Anmelden oder Registrieren um der Konversation beizutreten.

  • vicar21
  • vicar21s Avatar
  • Autor
  • Junior Boarder
  • Junior Boarder
  • Mehr Reichweite mit geringer Verbrauch
  • Beiträge: 73
  • Dank erhalten: 97
23 Sep 2019 05:58 #182616 von vicar21
100 km - das ist kein Scherz mehr

euver schrieb: Der Akku sieht professionell, beziehungsweise industriell aus.

Ja, danke. :)
Unser Ingenieur haе hart gearbeitet. Und er hat viel Erfahrung mit Batterien.

Energieeffiziente Motoren
E-Kangoo mit dem AS-PP Motor
Twizy mit ASPP Motor
Folgende Benutzer bedankten sich: weiss60

Bitte Anmelden oder Registrieren um der Konversation beizutreten.

  • ig_lo
  • ig_los Avatar
  • Junior Boarder
  • Junior Boarder
  • Beiträge: 54
  • Dank erhalten: 11
03 Okt 2019 19:12 #183213 von ig_lo
100 km - das ist kein Scherz mehr
Heute ist noch ein Video mit dem verbessertem Twizy aufgetaucht. Leider ist in russisch.


8,4 kWh/100 km ,bergige Landschaft
Folgende Benutzer bedankten sich: Akku61

Bitte Anmelden oder Registrieren um der Konversation beizutreten.

  • Akku61
  • Akku61s Avatar
  • Moderator
  • Moderator
  • Moderator sein heißt andere verstehen lernen.
  • Beiträge: 3917
  • Dank erhalten: 3254
04 Okt 2019 09:12 #183250 von Akku61
100 km - das ist kein Scherz mehr
Wenn ich das aus dem Kauderwelch der automatischen Google-Übersetzung heraushöre, dann macht die Firma unter anderem Umbauten von Fahrzeugen auf elektrisch? Bei ca. 09:00 war auch kurz ein Elektromotorrad zu sehen. :)

Viele Grüße, Andreas
Twizy color 08-2012 | Twizy Sport 04-2015 | Panoramadach | ToM Twiz ‘o meter | Heckfolien | Schmutzfänger
Tesla Model 3 - long-range, Heckantrieb | PV-Strom | green-planet-energy
Folgende Benutzer bedankten sich: euver

Bitte Anmelden oder Registrieren um der Konversation beizutreten.

  • vicar21
  • vicar21s Avatar
  • Autor
  • Junior Boarder
  • Junior Boarder
  • Mehr Reichweite mit geringer Verbrauch
  • Beiträge: 73
  • Dank erhalten: 97
04 Okt 2019 12:45 #183261 von vicar21
100 km - das ist kein Scherz mehr
Unsere Firma beschäftigt sich hauptsächlich mit der Entwicklung von Elektromotoren. Und alle Fahrzeuge welche Sie gesehen haben, nutzen unsere Motoren. Die erste Motorenproduktion wurde von mir in China eröffnet.
Die Motorräder verwenden diese Motoren. Derzeit entwickeln wir gemeinsam mit Hanergy Glory Projekte für Elektrofahrzeuge mit Solarzellen für Asien
Mehr auch auf mein Youtube Kanal. Schade telweise nur Russisch auch. Haupt Projekt läuft in Moscow. Und ich habe nicht so viel Zeit jetzt für die Untertiteln.
Sorry

Energieeffiziente Motoren
E-Kangoo mit dem AS-PP Motor
Twizy mit ASPP Motor
Folgende Benutzer bedankten sich: euver, Akku61, dingdong, AndiEcker, Knopf

Bitte Anmelden oder Registrieren um der Konversation beizutreten.

  • klausz
  • klauszs Avatar
  • Platinum Boarder
  • Platinum Boarder
  • z.zt keiner
  • Beiträge: 2150
  • Dank erhalten: 740
04 Okt 2019 19:45 #183303 von klausz
100 km - das ist kein Scherz mehr
@Victor, wegen Übersetzung, das geht ganz gut in Youtube. Du bist wichtiger für die anderen Dinge bei der Motoroptimierung.


Anhänge:

Bitte Anmelden oder Registrieren um der Konversation beizutreten.

  • TwizyChrisy
  • TwizyChrisys Avatar
  • 10k Boarder
  • 10k Boarder
  • Der Trend geht klar zum Zweittwizy äähhh....
  • Beiträge: 20342
  • Dank erhalten: 12995
05 Okt 2019 19:54 #183369 von TwizyChrisy
100 km - das ist kein Scherz mehr
Bin ich eigentlich der Einzige, der sich langsam wundert, daß immer mehr Berichte über High-Tech, Neuigkeiten etc. in russisch und chinesisch erscheinen und nicht mehr in englisch und deutsch?


Was sollte unserer "Regierung" das sagen?

Mehr Twizys, mehr Freude.

Bitte Anmelden oder Registrieren um der Konversation beizutreten.

  • carbon_compound
  • carbon_compounds Avatar
  • Platinum Boarder
  • Platinum Boarder
  • Beiträge: 2930
  • Dank erhalten: 1302
05 Okt 2019 20:03 #183373 von carbon_compound
100 km - das ist kein Scherz mehr
Merken? Ja.
Wundern? Nein. :D

Bitte Anmelden oder Registrieren um der Konversation beizutreten.

  • carbon_compound
  • carbon_compounds Avatar
  • Platinum Boarder
  • Platinum Boarder
  • Beiträge: 2930
  • Dank erhalten: 1302
05 Okt 2019 20:05 #183374 von carbon_compound
100 km - das ist kein Scherz mehr

TwizyChrisy schrieb: Was sollte unserer "Regierung" das sagen?

Pamela Rendi-Wagner würde sagen "Die Richtung stimmt!"*



*) Der Topfen ist ihr eingefallen nachdem sich ihre SPÖ fast halbiert hat bei der Wahl. ^^

Bitte Anmelden oder Registrieren um der Konversation beizutreten.

  • Tim_1975
  • Tim_1975s Avatar
  • Senior Boarder
  • Senior Boarder
  • Beiträge: 164
  • Dank erhalten: 68
05 Okt 2019 21:18 #183377 von Tim_1975
100 km - das ist kein Scherz mehr

TwizyChrisy schrieb: Bin ich eigentlich der Einzige, der sich langsam wundert, daß immer mehr Berichte über High-Tech, Neuigkeiten etc. in russisch und chinesisch erscheinen und nicht mehr in englisch und deutsch?


Was sollte unserer "Regierung" das sagen?


Die hat doch dabei geholfen das das Wissen Richtung Osten geht.
Wir beschäftigen uns lieber damit was KAPUTT zu Controlen… oder Verfahrensanweisungen zu erlassen wie man was bauen könnte.....
Folgende Benutzer bedankten sich: vicar21

Bitte Anmelden oder Registrieren um der Konversation beizutreten.

   Become a Patron