China Kompakt Adapter (verriegelbar) mit evalbo CCP Platine ausrüsten

  • Berthold
  • Bertholds Avatar
  • Autor
  • Platinum Boarder
  • Platinum Boarder
  • Beiträge: 2821
  • Dank erhalten: 2546
02 Mai 2024 20:32 - 02 Mai 2024 20:49 #256841 von Berthold
China Kompakt Adapter (verriegelbar) mit evalbo CCP Platine ausrüsten
Ich habe jetzt den Kompakt Adapter über Aliexpress bekommen der die Verriegelungsebene inkludiert hat.



Dieser hat leider keine Taster wie das TC bei seinem Umbau Projekt zeigt.
Dafür ist aber die Verriegelungsebene bereits vorhanden. Nach dem öffnen zeigt sich.
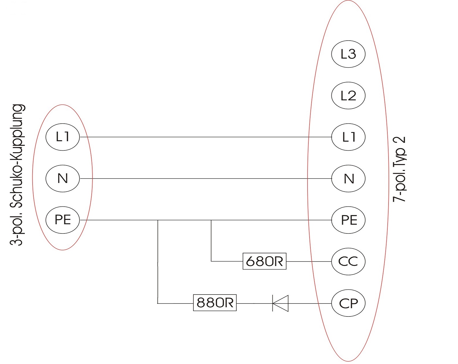
Die Kontakteinsätze CP & PP sind vorhanden und praktischer weise auch schon mit Festwiederständen verdrahtet. Um den Adapter nutzen zu können werde ich die Evalbo CCP platine mit Reed konkakt verbauen. Evalbo bietet auf seiner Webseite Evalbo die Doku an. Auch ein „Schnittmuster“ ist dabei. Das habe ich genommen und mal testweise in den Adapter gelegt. Die Platine kostet 30,- €



Platz ist sichtbar vorhanden. Die Anschlüsse Cp Pp sind im Adapter schon mit angelöteten Adern vorhanden und müssen nur auf die Platine gelegt werden. Die Schukodose des Adapters kann ab/angeklemmt werden was die Montage erleichtert.
Der Adapter sollte nach dem Einstecken in die Ladesäule selbsttätig den Ladevorgang starten und das ordnungsgemäße Verriegeln ermöglichen.
Keine Taste kann von Unbefugten gedrückt werden es gibt ja keine Taste.
Der Ladevorgang wird dann durch das Vorhalten eines Magneten an den Adapter gestoppt. Dann wird Adapter entriegelt.:)

Twizy Intens ; EZ 11/16 ; Parrot mit Pioneer-Sub ; H145/13 V135/13; Spacer 10mm; Zusatzlager, Lader Ventilation optimiert ; Mario Hack ; Kaufakku; Rückfahrkamera, Lüftungsschlitze freigeräumt , LED Frontlicht, ToM , LEGASTHENIKER aus NRW
Anhänge:
Letzte Änderung: 02 Mai 2024 20:49 von Berthold.
Folgende Benutzer bedankten sich: Pfälzer68, green_fox, bb296, Dae_Paul, Twizitaly

Bitte Anmelden oder Registrieren um der Konversation beizutreten.

  • bb296
  • bb296s Avatar
  • Fresh Boarder
  • Fresh Boarder
  • Beiträge: 24
  • Dank erhalten: 24
03 Mai 2024 12:49 #256864 von bb296
China Kompakt Adapter (verriegelbar) mit evalbo CCP Platine ausrüsten
Hallo Berthold,

Ich habe meinen brereits umgebaut B)

Berthold schrieb:
Die Kontakteinsätze CP & PP sind vorhanden und praktischer weise auch schon mit Festwiederständen verdrahtet.


Stimmt.



Die Werte entsprechen dem Schaltbild:



Das würde bereits ein Laden theoretisch ermöglichen, allerdings ohne die Funktionen "vehicle detected" und "Laden beenden".
Aber dafür gibt es ja die Evalbo CCP Platine. Ich habe einen Reedkontakt verwendet und die Platine senkrecht in die Aussparung verbaut. Der Mittelsteg wurde dafür angepasst.



Rechts unten kann man erkennen, dass die Halterung für die Schraube etwas verkürzt ist und eine Nut hat. Bei diesen Adaptern war an der Stelle eine LED eingesetzt, bei meinem Adapter habe ich hier die LED aus dem Platinen-Bausatz plaziert.



Fazit: Die ganze Bastelei hat einen halben Vormittag gedauert und ist keine Raketentechnologie ;)
Was mich am meisten fasziniert hat, dass sich das Teil problemlos in seine Einzelteile zerlegen ließ. Die Kontakte waren gecrimpt, der Schuko-Anschluss verschraubt. Da war nix verklebt oder vergossen - sehr reparaturfreundlich!

Ein Test an meiner Wallbox verlief positiv, die öffentlichen Ladesäule werde ich am WE testen.

VG BB
Folgende Benutzer bedankten sich: Rebound, BinKino, Wolfe, Berthold, Dae_Paul

Bitte Anmelden oder Registrieren um der Konversation beizutreten.

  • Goldbacher
  • Goldbachers Avatar
  • Platinum Boarder
  • Platinum Boarder
  • Beiträge: 4419
  • Dank erhalten: 2082
03 Mai 2024 14:50 #256868 von Goldbacher
China Kompakt Adapter (verriegelbar) mit evalbo CCP Platine ausrüsten
Sind die dünnen CP und PP Pins gleichlang? Wenn ja, könnte der Adapter wohl auch an Säulen mit festen Kabeln funktionieren.

Bitte Anmelden oder Registrieren um der Konversation beizutreten.

  • Berthold
  • Bertholds Avatar
  • Autor
  • Platinum Boarder
  • Platinum Boarder
  • Beiträge: 2821
  • Dank erhalten: 2546
03 Mai 2024 15:48 #256869 von Berthold
China Kompakt Adapter (verriegelbar) mit evalbo CCP Platine ausrüsten
Die Pins CP und PP sind gleich lang. Aber zurück gesetzt zu den Stromführenden Konkaten L ; N ; GND

Danke für die Inspiration. B)

Twizy Intens ; EZ 11/16 ; Parrot mit Pioneer-Sub ; H145/13 V135/13; Spacer 10mm; Zusatzlager, Lader Ventilation optimiert ; Mario Hack ; Kaufakku; Rückfahrkamera, Lüftungsschlitze freigeräumt , LED Frontlicht, ToM , LEGASTHENIKER aus NRW

Bitte Anmelden oder Registrieren um der Konversation beizutreten.

  • Berthold
  • Bertholds Avatar
  • Autor
  • Platinum Boarder
  • Platinum Boarder
  • Beiträge: 2821
  • Dank erhalten: 2546
08 Mai 2024 17:09 - 08 Mai 2024 17:28 #257051 von Berthold
China Kompakt Adapter (verriegelbar) mit evalbo CCP Platine ausrüsten
Habe jetzt auch meinen China Kompakt Adapter ( mit Verriegelung ) mit der Evalbo CCP ausgerüstet.
Dazu wurde der Bausatz mit Reedkontakt und Low power Led und Gehäuse bestellt. 30,-€
Hier meine Erfahrungen..

Ich habe die Platine etwas anders als bb296 platziert siehe Bild



Zudem habe ich den mitgelieferten Stecker für CP und PP benutzt. Damit ist der Anschluss ganz einfach. Da der Adapter komplett zerlegt werden kann, ist alles einfach man muss keine Kinderfinger haben.
Die Wiederstände vom CN Adapter fliegen raus, ist ja alles auf der Evalbo Platine.



Die Aderenden PE ; L ; N sind im CN original nur schlecht verlötet, also abkneifen und ordentliche Aderendhülsen aufgecrimpt.
Die Platine dann per Stecker mit CP & PP verbunden und eingeklebt.



Jetzt fällt mir noch ein Mangel des Adapters auf. Der Schukoeinsatz hat eine Gummidichtung auf der Innenseite. Im Bild gut zu sehen.



Es gibt aber im Gehäuse überhaupt kein Gegenstück ( Dichtfläche ) die eine Abdichtung gegen eindringendes Wasser sicherstellen würde.
Hier das Bild dazu.



Den Einsatz des Adapters bei starkem Regen oder längerem Regen werde ich vermeiden.Der Schukodeckel hat den Aufdruck IP44
was mir als geschmeichelt erscheint.

Die Signaldiode der CCP Platine ist jetzt von oben zu sehen dazu ein Loch mit 3mm gebohrt das fixiert auch die Platine. Dort muss zum Stoppen des Ladens auch der Magnet vorgehalten werden. Was dann zum entriegeln (Freigeben) des Adapters führt.



Der Einbau hat ca 3h gedauert und hat mit NASA nix zu tun, eine gültige Testpiloten-Lizenz hilft aber. B)

Twizy Intens ; EZ 11/16 ; Parrot mit Pioneer-Sub ; H145/13 V135/13; Spacer 10mm; Zusatzlager, Lader Ventilation optimiert ; Mario Hack ; Kaufakku; Rückfahrkamera, Lüftungsschlitze freigeräumt , LED Frontlicht, ToM , LEGASTHENIKER aus NRW
Letzte Änderung: 08 Mai 2024 17:28 von Berthold.
Folgende Benutzer bedankten sich: Wolfe, Pfälzer68, green_fox, bb296, Dae_Paul

Bitte Anmelden oder Registrieren um der Konversation beizutreten.

  • Mannni
  • Mannnis Avatar
  • Pro Boarder
  • Pro Boarder
  • OE3MTB-9
  • Beiträge: 645
  • Dank erhalten: 298
08 Mai 2024 17:31 #257053 von Mannni
China Kompakt Adapter (verriegelbar) mit evalbo CCP Platine ausrüsten
Nett aber mehr in den Umbau zu investieren als der Adapter selbst kostet würd ich hinterfagen. Vorallem weil ein einfacher Reedkontakt allein schon gereicht hätte.
Also geht auch für <1€

Bitte Anmelden oder Registrieren um der Konversation beizutreten.

  • Berthold
  • Bertholds Avatar
  • Autor
  • Platinum Boarder
  • Platinum Boarder
  • Beiträge: 2821
  • Dank erhalten: 2546
08 Mai 2024 17:43 #257055 von Berthold
China Kompakt Adapter (verriegelbar) mit evalbo CCP Platine ausrüsten
Die CCP Elektronik macht schon Sinn. Steht auch in der Funktionbeschreibung von Evalbo. Moderne Ladesäulen starten sonst nicht den Ladevorgang. Wenn es an Deiner Lieblings-Ladesäule mit 1 € Reed funktioniert prima !.

Twizy Intens ; EZ 11/16 ; Parrot mit Pioneer-Sub ; H145/13 V135/13; Spacer 10mm; Zusatzlager, Lader Ventilation optimiert ; Mario Hack ; Kaufakku; Rückfahrkamera, Lüftungsschlitze freigeräumt , LED Frontlicht, ToM , LEGASTHENIKER aus NRW
Folgende Benutzer bedankten sich: Pfälzer68

Bitte Anmelden oder Registrieren um der Konversation beizutreten.

  • Pfälzer68
  • Pfälzer68s Avatar
  • Platinum Boarder
  • Platinum Boarder
  • Beiträge: 9011
  • Dank erhalten: 5654
08 Mai 2024 17:50 - 08 Mai 2024 17:55 #257056 von Pfälzer68
China Kompakt Adapter (verriegelbar) mit evalbo CCP Platine ausrüsten
Sauber gemacht!

Sag jetzt aber nicht das die Chinesen die Leiterenden für in die Schraubklemmen der Schukoseite nur verzinnt hatten? :blink: :facepalm:

Die Gummiplatte ist imho einfach teil des Lieferumfangs der Schuko und wird halt mit reingeschraubt... sonst müst mans ja abmachen.. :mrgreen:
Abdichten mittels PU-Dichtstoff als Raupe aufgetragen wär ne Option für "länger im Regen"... wenn der Adapter an sich nicht 90° zur Säule steht. Ist das Ding in gestecktem Zustand gerade oder leicht abwärts geneigt?
Letzte Änderung: 08 Mai 2024 17:55 von Pfälzer68.
Folgende Benutzer bedankten sich: Berthold

Bitte Anmelden oder Registrieren um der Konversation beizutreten.

  • Berthold
  • Bertholds Avatar
  • Autor
  • Platinum Boarder
  • Platinum Boarder
  • Beiträge: 2821
  • Dank erhalten: 2546
08 Mai 2024 17:54 - 08 Mai 2024 18:35 #257057 von Berthold
China Kompakt Adapter (verriegelbar) mit evalbo CCP Platine ausrüsten

Pfälzer68 schrieb: Sauber gemacht!

Sag jetzt aber nicht das die Chinesen die Leiterenden für in die Schraubklemmen der Schukoseite nur verzinnt hatten? :blink: :facepalm:


Doch Doch ! Als Testpilot habe ich Aderendhülsen aber immer griffbereit, no problemo.

ne Dichtwurst um den Schukoeinsatz ist ne gute Idee. Das fällt mir Sikaflex ein.

Twizy Intens ; EZ 11/16 ; Parrot mit Pioneer-Sub ; H145/13 V135/13; Spacer 10mm; Zusatzlager, Lader Ventilation optimiert ; Mario Hack ; Kaufakku; Rückfahrkamera, Lüftungsschlitze freigeräumt , LED Frontlicht, ToM , LEGASTHENIKER aus NRW
Letzte Änderung: 08 Mai 2024 18:35 von Berthold.
Folgende Benutzer bedankten sich: Pfälzer68

Bitte Anmelden oder Registrieren um der Konversation beizutreten.

  • Jack-Lee
  • Jack-Lees Avatar
  • Platinum Boarder
  • Platinum Boarder
  • Beiträge: 1930
  • Dank erhalten: 2502
08 Mai 2024 19:10 #257061 von Jack-Lee
China Kompakt Adapter (verriegelbar) mit evalbo CCP Platine ausrüsten
Mit Sikaflex ist das Ding aber zu. Dauerhaft. Wenn man's nochmal öffnen will geht Flüssigdichtung für zb Ölwannen und Co.

Twizy Ersatzakkus und Tuning : www.voltraa.de

Bitte Anmelden oder Registrieren um der Konversation beizutreten.

  • Berthold
  • Bertholds Avatar
  • Autor
  • Platinum Boarder
  • Platinum Boarder
  • Beiträge: 2821
  • Dank erhalten: 2546
09 Mai 2024 21:52 #257096 von Berthold
China Kompakt Adapter (verriegelbar) mit evalbo CCP Platine ausrüsten
Heute habe ich den Kompakt Adapter an einer sehr frischen Ladesäule aus ende 2023 ausprobiert.
Nach authentifizierung per EnBw Karte stecke ich den Adapter mit eingestecktem Schukostecker in die Ladesäule.
Wie zu erwarten startet die Säule den Ladevorgang problemlos und verriegelt gleichzeitig den Adapter. Dabei kann man die Kommunikation per LED beobachten. Nach 30 Minuten laden mit 2000W ist der Adapter dann leicht warm geworden. Abziehen kann man den Adapter in dem Lade-Modus nicht.
Zum Ladestopp habe ich den mitgelieferten Magnet von evalbo neben die LED gehalten. Dieser ist jetzt neu in einem kleinen 3D gedrucken Gehäuse (Schlüsselanhänger) untergebracht. Dabei muss man den Magnet so lange vorhalten bis die Ladesäule abgeschaltet und den Adapter freigegeben hat was ein paar Sekunden dauert. Nur einmal kurz vorhalten reicht nicht.

Der Kompakt-Adapter passt ganz locker in das rechte abschließbare Handschuhfach, was mir viel besser gefällt und praktischer ist als den großen Adapter im Fach hinter dem Rücksitz zu lagern. Der alte Typ2-Schuko-Adapter kommt darum jetzt als Backup ins Magazin.
Über alles hat der Kompakt-Adapter & Platine ca. 60,- gekostet. Etwas basteln inklusive. Eine schöne Lösung.:cheer:

Twizy Intens ; EZ 11/16 ; Parrot mit Pioneer-Sub ; H145/13 V135/13; Spacer 10mm; Zusatzlager, Lader Ventilation optimiert ; Mario Hack ; Kaufakku; Rückfahrkamera, Lüftungsschlitze freigeräumt , LED Frontlicht, ToM , LEGASTHENIKER aus NRW
Folgende Benutzer bedankten sich: Rebound, Pfälzer68, green_fox, bb296, lip, Dae_Paul

Bitte Anmelden oder Registrieren um der Konversation beizutreten.

  • dingdong
  • dingdongs Avatar
  • Platinum Boarder
  • Platinum Boarder
  • Die Macht möge uns helfen zu überleben
  • Beiträge: 4346
  • Dank erhalten: 2721
10 Mai 2024 07:54 #257099 von dingdong
China Kompakt Adapter (verriegelbar) mit evalbo CCP Platine ausrüsten

Berthold schrieb: Heute habe ich den Kompakt Adapter an einer sehr frischen Ladesäule aus ende 2023 ausprobiert.
Nach authentifizierung per EnBw Karte stecke ich den Adapter mit eingestecktem Schukostecker in die Ladesäule.
:


Egal ob mit Karte oder App des jeweiligen Betreibers
kann man die Entriegelung damit auch wieder freischalten.
Sogar und ist es bisher
Habe gerade wieder eine 800km Tour hinter mir.
An allen von mir benutzten Saülen (5 oder 6 verschiedene Typen) ganz alt und quietschneu ließ sich durch Karte o. App das Kabel entriegeln.
Theoretisch braucht es nur noch Freischaltung.
Außer bei den rar gewordenen kostenlosen Säulen. (sehr selten oder Arbeitgeber) dann braucht es Magnet.
Gruß vom Langstreckenvielfahrer

Nie wieder Faschismus
(1. Twizy-Deutschland-Tour)
Bad Homburg-Norddeich-München-Bad Homburg
17.07-29.07.2014 2304 km
Die Macht möge mit den Rechtschaffenen sein!
Folgende Benutzer bedankten sich: Rebound, FRZ77, Berthold, bb296, lip

Bitte Anmelden oder Registrieren um der Konversation beizutreten.

  • Berthold
  • Bertholds Avatar
  • Autor
  • Platinum Boarder
  • Platinum Boarder
  • Beiträge: 2821
  • Dank erhalten: 2546
10 Mai 2024 18:57 #257115 von Berthold
China Kompakt Adapter (verriegelbar) mit evalbo CCP Platine ausrüsten
und jetzt noch die Erklärung warum der kompakt Adapter kompakt Adapter heißt….



:laugh:

Twizy Intens ; EZ 11/16 ; Parrot mit Pioneer-Sub ; H145/13 V135/13; Spacer 10mm; Zusatzlager, Lader Ventilation optimiert ; Mario Hack ; Kaufakku; Rückfahrkamera, Lüftungsschlitze freigeräumt , LED Frontlicht, ToM , LEGASTHENIKER aus NRW
Anhänge:
Folgende Benutzer bedankten sich: Rebound, Pfälzer68, lip, eja

Bitte Anmelden oder Registrieren um der Konversation beizutreten.

  • Wolfe
  • Wolfes Avatar
  • Expert Boarder
  • Expert Boarder
  • Nur fliegen ist schöner !
  • Beiträge: 345
  • Dank erhalten: 233
02 Sep 2024 15:40 #260973 von Wolfe
China Kompakt Adapter (verriegelbar) mit evalbo CCP Platine ausrüsten

Berthold schrieb: Habe jetzt auch meinen China Kompakt Adapter ( mit Verriegelung ) mit der Evalbo CCP ausgerüstet.
Dazu wurde der Bausatz mit Reedkontakt und Low power Led und Gehäuse bestellt. 30,-€


Hallo Berthold, hast Du bitte einmal einen Aliexpress Link für den Stecker.

Cheers
Eckhard

Twizy Bj 2012, seit 08/'13; April '25: 50+ tkm, seit 12/'23 mit 20 kWh Batterie
ToM seit 10/'23, einschl. PV-Überschußladung
seit 05/'24: DIY DC-BiDi / V2H
Dach- & Insel PV-Anlage: S:13 / N:6 / I: 2,9 kWp

Bitte Anmelden oder Registrieren um der Konversation beizutreten.

  • Berthold
  • Bertholds Avatar
  • Autor
  • Platinum Boarder
  • Platinum Boarder
  • Beiträge: 2821
  • Dank erhalten: 2546
02 Sep 2024 21:45 - 02 Sep 2024 22:02 #260987 von Berthold
China Kompakt Adapter (verriegelbar) mit evalbo CCP Platine ausrüsten
Hallo Wolfe ..

das müsste dieser Adapter sein. Bei Aliexpress Klick mich



Biddeschön :)

Twizy Intens ; EZ 11/16 ; Parrot mit Pioneer-Sub ; H145/13 V135/13; Spacer 10mm; Zusatzlager, Lader Ventilation optimiert ; Mario Hack ; Kaufakku; Rückfahrkamera, Lüftungsschlitze freigeräumt , LED Frontlicht, ToM , LEGASTHENIKER aus NRW
Anhänge:
Letzte Änderung: 02 Sep 2024 22:02 von Berthold.
Folgende Benutzer bedankten sich: Wolfe

Bitte Anmelden oder Registrieren um der Konversation beizutreten.

   Become a Patron