China-Sattel Zweite Entlüfterschraube nachrüsten ; Blindstopfen

  • Berthold
  • Bertholds Avatar
  • Autor
  • Platinum Boarder
  • Platinum Boarder
  • Beiträge: 2827
  • Dank erhalten: 2548
23 Jan 2024 11:17 #253198 von Berthold
China-Sattel Zweite Entlüfterschraube nachrüsten
Jetzt im Winter kann man prima schrauben, neues Projekt China Sattel pimpen. Für den Ambitionierten Bastler :)

Ich möchte die China Sättel vorne einbauen und diese ganz normal entlüften können. Also brauche ich oben eine Entlüftung.
Im Zubehör gibt es die Entlüfterschrauben günstig zu kaufen, ich bestelle M8 x 1,25


Links neu ; mitte original ; rechts aus China Sattel

Die Maße vom Originalen Sattel gemessen.



Die Bohrung körnen , Maße wie für die originale Schraube


Nun ergibt sich leider das Problem das der Sattel schlecht zu spannen ist und ich will nicht das die Bohrung schief wird oder weg läuft.
Der Sattel kippelt leider wenn er nicht festgespannt.
Darum habe ich mir ein Werkzeug gebaut das den Sattel für das Bohren gut fixiert.



Wenn der Sattel mit der Mitgelieferten Schraube festgeschraubt wird hält das gut.



Das Werkzeug ist so gebaut das R und L bearbeitet werden können.



Andere Ansicht…



Wird fortgesetzt…...

Twizy Intens ; EZ 11/16 ; Parrot mit Pioneer-Sub ; H145/13 V135/13; Spacer 10mm; Zusatzlager, Lader Ventilation optimiert ; Mario Hack ; Kaufakku; Rückfahrkamera, Lüftungsschlitze freigeräumt , LED Frontlicht, ToM , LEGASTHENIKER aus NRW
Folgende Benutzer bedankten sich: Akku61, weiss60, Goldi, BinKino, Goldbacher, Ulli-et-Tom, green_fox, Jack-Lee, ThM, bb296, Twizy1968, Essen68, Fascal, Silent one, Dae_Paul, Jafa

Bitte Anmelden oder Registrieren um der Konversation beizutreten.

  • Berthold
  • Bertholds Avatar
  • Autor
  • Platinum Boarder
  • Platinum Boarder
  • Beiträge: 2827
  • Dank erhalten: 2548
24 Jan 2024 18:32 - 24 Jan 2024 19:08 #253236 von Berthold
China-Sattel Zweite Entlüfterschraube nachrüsten ; Bohren und Gewindeschneiden
Es geht weiter….

Zuerst wird der Kolben aus dem Sattel geholt. Denn der Kolben soll ja nicht seitlich angebohrt werden.;)

Der Bremssattel ist auf dem Spannwerkzeug ausgerichtet und mit der Anschlussschraube schön festgeschraubt.
Das Zentrum der Bohrung ist angezeichnet ( am beste mit Schieblehre) und gekörnt. Im Futter der Tischbohrmaschine ist ein 3mm Bohrer eingespannt. Durch die Tischbohmaschine wird die Bohrung sauber winkelig.
Wenn ich den Bohrer (noch ohne Antrieb) in die Körnung setze und er dabei nicht zur Seite weggedrückt wird bin schön im Zentrum.



Jetzt wird gebohrt. Nach ca. 25mm sollte man durch sein. Wenn alles gepasst hat sieht das im Zylinerraum so aus.



Jetzt kommt die Kernloch-Bohrung für das M8 Gewinde = 6,8mm , Dieses Sackloch darf nicht zu tief werden.
Zu wenig ist auch schlecht dann könnte das Gewinde später ausreissen.
Wer eine Bohrmasch mit Tiefenanschlag hat kann den nutzen , die Tiefe ist von der Belüftungsschraube abhängig,
bei mir waren das ca. 13mm . Eine Markierung am Bohrer mit Klebeband geht auch.



Den Sattel wieder sorgfältig ausrichten und bis zu Anschlag bohren.



Der Blick von oben in die Bohrung zeigt das es prima zentrisch geworden ist.



Jetzt das Gewinde schneiden M8 x 1,25 . Das ist Normsteigung für M8 und daher in jedem Schneidset enthalten.
Ich bevorzuge die klassischen 3er Sets. mir Vor , Mitten und Fertigschneider. Aber das ist Geschmacksache.
Jetzt ein kleiner Trick. Damit das Gewinde auf jeden Fall sauber zur Bohrung fluchtet , spanne ich denn Vorschneider in das Bohrfutter.
Ich führe den gespannten Gewindebohrer per Hand in das Bohrloch und mache die ersten paar Gewindegänge per Hand (natürlich ohne Antrieb) dabei führe ich den Vorschub gefühlvoll nach.



Wenn der Gewindeanschnitt damit sicher fluchtend erfolgt ist wechsele ich auf das Wendeisen.



Etwas Schneidöl macht die Oberfläche schön und verbessert das Ergebnis. Da das Sackloch irgendwann zu Ende ist nicht mit Gewalt immer weiter drehen. Die Spähe nach jedem Schnitt entfernen. Dieses Gewinde eventuell nicht als Erstlingswerk schneiden.

Nach dem saubermachen mit Bremsenreiniger und Pressluft kommen die Entlüfterschrauben erstmals rein.
Wenn alles gut ist sieht das so aus.



Wichtig ! wenn man die Schrauben erstmalig locker einsetzt dichtet die Schraube wahrscheinlich nicht. Das liegt daran das das Bohren und Schneiden nicht 100% perfekt gelingen kann. Das ist aber normal. Der dichtende Sitz der Schraube wird beim ersten festen anziehen erzeugt. Die Schraube drückt sich beim Festziehen sozusagen selbst den dichtenden Sitz ins Alu. Darum die Schrauben immer im selben Gewinde lassen und nicht hin und her tauschen.

Fortsetzung folgt…

Twizy Intens ; EZ 11/16 ; Parrot mit Pioneer-Sub ; H145/13 V135/13; Spacer 10mm; Zusatzlager, Lader Ventilation optimiert ; Mario Hack ; Kaufakku; Rückfahrkamera, Lüftungsschlitze freigeräumt , LED Frontlicht, ToM , LEGASTHENIKER aus NRW
Letzte Änderung: 24 Jan 2024 19:08 von Berthold.
Folgende Benutzer bedankten sich: Goldi, villadsen, Goldbacher, Ulli-et-Tom, green_fox, bb296, lip

Bitte Anmelden oder Registrieren um der Konversation beizutreten.

  • TwizyChrisy
  • TwizyChrisys Avatar
  • 10k Boarder
  • 10k Boarder
  • Der Trend geht klar zum Zweittwizy äähhh....
  • Beiträge: 20439
  • Dank erhalten: 13127
24 Jan 2024 18:55 #253239 von TwizyChrisy
China-Sattel Zweite Entlüfterschraube nachrüsten ; Bohren und Gewindeschneiden
Ist die Profi-Version :-)

Der Sattel liegt so schön flach auf, daß ich den immer nur mit der Hand festhalte falls ich mir mal die Mühe mache einen umzubohren.

Ich warte auf den Tag, an dem mich der HU-Prüfer ankuckt und fragt warum der Sattel zwei Ventile hat?!?

Ich werde ihn ansehen und ganz entspannt sagen: Haben sie noch nicht von den neuen EU-Sätteln gehört?
Unten ist zum Bremsflüssigkeit wechseln und oben zum Entlüften....

Und dann werde ich warten was passiert :-)

Mehr Twizys, mehr Freude.
Folgende Benutzer bedankten sich: weiss60, Goldi, green_fox

Bitte Anmelden oder Registrieren um der Konversation beizutreten.

  • Berthold
  • Bertholds Avatar
  • Autor
  • Platinum Boarder
  • Platinum Boarder
  • Beiträge: 2827
  • Dank erhalten: 2548
24 Jan 2024 19:04 #253240 von Berthold
China-Sattel Zweite Entlüfterschraube nachrüsten ; Bohren und Gewindeschneiden

TwizyChrisy schrieb: Ist die Profi-Version :-)

Ich warte auf den Tag, an dem mich der HU-Prüfer ankuckt und fragt warum der Sattel zwei Ventile hat?!?


Was weis ich was sich der Renault da wieder ausgedacht hat. Die sind halt so geliefert worden. Er soll bei Renault nachfragen.
Ich bin nur der Fahrer. :)

Twizy Intens ; EZ 11/16 ; Parrot mit Pioneer-Sub ; H145/13 V135/13; Spacer 10mm; Zusatzlager, Lader Ventilation optimiert ; Mario Hack ; Kaufakku; Rückfahrkamera, Lüftungsschlitze freigeräumt , LED Frontlicht, ToM , LEGASTHENIKER aus NRW
Folgende Benutzer bedankten sich: weiss60, Goldi

Bitte Anmelden oder Registrieren um der Konversation beizutreten.

  • Goldi
  • Goldis Avatar
  • Platinum Boarder
  • Platinum Boarder
  • Reifen- und KFZ-Monteur
  • Beiträge: 1871
  • Dank erhalten: 1159
24 Jan 2024 19:21 #253243 von Goldi
China-Sattel Zweite Entlüfterschraube nachrüsten ; Bohren und Gewindeschneiden
Jetzt brauchen wir nur noch eine Alternative für hinten!

2013 Twizy #1 Goldi: Color 4/2012, Lader 2.Gen., OVMS 2, Korea Fenster, AHK, Parrot mit DAB+, Smart Brabus Ledersitz mit Heizung,
Getriebezusatzlager. usw.
Seit 2022 Twizy #2 Bj 2012, OVMS 2, Korea Scheiben, Bluetooth/Freisprech Lösung aus Korea.

Reifen: 145/70R13 und 165/70R13 auf original Alu
Folgende Benutzer bedankten sich: Fascal

Bitte Anmelden oder Registrieren um der Konversation beizutreten.

  • dingdong
  • dingdongs Avatar
  • Platinum Boarder
  • Platinum Boarder
  • Die Macht möge uns helfen zu überleben
  • Beiträge: 4347
  • Dank erhalten: 2725
25 Jan 2024 08:39 #253259 von dingdong
China-Sattel Zweite Entlüfterschraube nachrüsten ; Bohren und Gewindeschneiden

Berthold schrieb:


Fortsetzung folgt…


Super Arbeit!
Danke.
Das ist Forumsgeist par ecellance!

Wenn sich jetzt noch jemand findet, der für die Linksdaumen Forumsmitglieder ( nicht böse gemeint) sowas zu übernehmen wäre das perfekt!

Nie wieder Faschismus
(1. Twizy-Deutschland-Tour)
Bad Homburg-Norddeich-München-Bad Homburg
17.07-29.07.2014 2304 km
Die Macht möge mit den Rechtschaffenen sein!
Folgende Benutzer bedankten sich: Ulli-et-Tom, Berthold, Essen68

Bitte Anmelden oder Registrieren um der Konversation beizutreten.

  • Jack-Lee
  • Jack-Lees Avatar
  • Platinum Boarder
  • Platinum Boarder
  • Beiträge: 1940
  • Dank erhalten: 2515
25 Jan 2024 11:43 #253266 von Jack-Lee
China-Sattel Zweite Entlüfterschraube nachrüsten ; Bohren und Gewindeschneiden
Hab dazu eigentlich alles da. Wenn sich ne kleine Anzahl an Interessenten zusammen findet und ich gleich mal n dutzend Sättel anpassen kann, sollte das kein Problem darstellen.

Twizy Ersatzakkus und Tuning : www.voltraa.de

Bitte Anmelden oder Registrieren um der Konversation beizutreten.

  • Snorre
  • Snorres Avatar
  • Platinum Boarder
  • Platinum Boarder
  • Beiträge: 6306
  • Dank erhalten: 4522
25 Jan 2024 12:06 - 25 Jan 2024 12:25 #253267 von Snorre
China-Sattel Zweite Entlüfterschraube nachrüsten ; Bohren und Gewindeschneiden

TwizyChrisy schrieb: Ich warte auf den Tag, an dem mich der HU-Prüfer ankuckt und fragt warum der Sattel zwei Ventile hat?!?


Wenn der vorhandene Entlüfungsnippel auch schon ein M8 Regelgewinde hat, dann wäre es mMn am Sinnvollsten dessen Bohrung mit einer Madenschraube ISO 4027 zu verschliessen und den vorhandenen Entlüftungsnippel in der neuen Bohrung weiter zu verwenden.
Wäre wohl auch unauffälliger.

Twizy Cargo, EZ 07/2014, 110.000 km, Stand 09/2024
Letzte Änderung: 25 Jan 2024 12:25 von Snorre.
Folgende Benutzer bedankten sich: villadsen

Bitte Anmelden oder Registrieren um der Konversation beizutreten.

  • Berthold
  • Bertholds Avatar
  • Autor
  • Platinum Boarder
  • Platinum Boarder
  • Beiträge: 2827
  • Dank erhalten: 2548
25 Jan 2024 12:47 #253268 von Berthold
China-Sattel Zweite Entlüfterschraube nachrüsten ; Bohren und Gewindeschneiden
@Snorre
Das habe ich mir auch schon überlegt.
Habe aber noch keine brauchbare Schraube für den Verschluss gefunden.

Ist loctite beständig gegen Bremsflüssigkeit ?

Twizy Intens ; EZ 11/16 ; Parrot mit Pioneer-Sub ; H145/13 V135/13; Spacer 10mm; Zusatzlager, Lader Ventilation optimiert ; Mario Hack ; Kaufakku; Rückfahrkamera, Lüftungsschlitze freigeräumt , LED Frontlicht, ToM , LEGASTHENIKER aus NRW

Bitte Anmelden oder Registrieren um der Konversation beizutreten.

  • Snorre
  • Snorres Avatar
  • Platinum Boarder
  • Platinum Boarder
  • Beiträge: 6306
  • Dank erhalten: 4522
25 Jan 2024 14:13 - 25 Jan 2024 14:14 #253269 von Snorre
China-Sattel Zweite Entlüfterschraube nachrüsten ; Bohren und Gewindeschneiden

Berthold schrieb: Habe aber noch keine brauchbare Schraube für den Verschluss gefunden.


ISO4027 sollte doch gut passen.
Was stört dich daran?


Berthold schrieb: Ist loctite beständig gegen Bremsflüssigkeit ?


Keine Ahnung, würde aber davon ausgehen.
Falls du den Stopfen damit einkleben willst, dann spielt das doch keine Rolle.
Wenn du deinen fabrikneuen Bremssattel verstopfst, dann ist der Gewindegang frei von Bremsflüssigkeit.
Und wenn im laufenden Betrieb Bremsflüssigkeit in den Gewindegang eindringen kann, dann hat der Stopfen seine Funktion verfehlt.
Oder worum geht es dir?

Twizy Cargo, EZ 07/2014, 110.000 km, Stand 09/2024
Letzte Änderung: 25 Jan 2024 14:14 von Snorre.

Bitte Anmelden oder Registrieren um der Konversation beizutreten.

  • Berthold
  • Bertholds Avatar
  • Autor
  • Platinum Boarder
  • Platinum Boarder
  • Beiträge: 2827
  • Dank erhalten: 2548
25 Jan 2024 14:39 #253271 von Berthold
China-Sattel Zweite Entlüfterschraube nachrüsten ; Bohren und Gewindeschneiden
ich schau mir das an. Ich will Verschlussschrauben aus VA haben denn ich mag keinen Rost. Das Einkleben würde zusätzliche Sicherheit bieten. Gegen Undichtigkeit und Lockerung. Vermutlich kann das ein Loctite Typ, ich schau nach. Denn das wäre am besten wenn nur ein Nippel aus dem Sattel schaut.
Ich will jetzt noch zwei Sättel auf Vorrat bearbeiten. Dann…..

Dann könnte ich das Werkzeug innerhalb des Forums verleihen. Vorrangig an Schrauber die mehrere Sättel bearbeiten. Getriebe Gruppe (Ulli@Tom), Jack-Lee ; Snorre ; TC ; aber auch an einzelne User die gerne selber was machen.

Twizy Intens ; EZ 11/16 ; Parrot mit Pioneer-Sub ; H145/13 V135/13; Spacer 10mm; Zusatzlager, Lader Ventilation optimiert ; Mario Hack ; Kaufakku; Rückfahrkamera, Lüftungsschlitze freigeräumt , LED Frontlicht, ToM , LEGASTHENIKER aus NRW
Folgende Benutzer bedankten sich: Jack-Lee

Bitte Anmelden oder Registrieren um der Konversation beizutreten.

  • Jack-Lee
  • Jack-Lees Avatar
  • Platinum Boarder
  • Platinum Boarder
  • Beiträge: 1940
  • Dank erhalten: 2515
25 Jan 2024 15:05 #253272 von Jack-Lee
China-Sattel Zweite Entlüfterschraube nachrüsten ; Bohren und Gewindeschneiden
ISO4027 Gewindestift, eingeklebt mit Loctide hochfest und das bleibt dicht. Für immer. Sehe da kein wirkliches Problem. Loctite 243 ist gegen alles "vom Auto" beständig : Öl, Benzin, Diesel, Bremsflüssigkeit, usw.

Twizy Ersatzakkus und Tuning : www.voltraa.de
Folgende Benutzer bedankten sich: green_fox

Bitte Anmelden oder Registrieren um der Konversation beizutreten.

  • Berthold
  • Bertholds Avatar
  • Autor
  • Platinum Boarder
  • Platinum Boarder
  • Beiträge: 2827
  • Dank erhalten: 2548
25 Jan 2024 18:29 - 25 Jan 2024 18:36 #253281 von Berthold
China-Sattel Zweite Entlüfterschraube nachrüsten ; Bohren und Gewindeschneiden
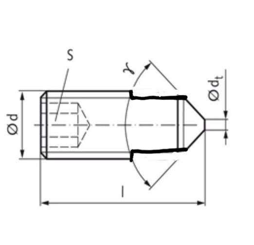
Nee mit Iso4027 wird das nichts. Denn das Gewinde ist dort durchgängig bis unten. Das ist bei dem Sackloch aber nicht möglich.



wir brauchen eine Madenschraube die untern abgedreht ist
so etwas ISOxxxx ?



Das könnte ich in Handarbeit machen, indem ich die ISO4027 unten ein Stückchen abdrehe. Aber das muss doch nicht sein …..
Das gibt es doch bestimmt auch fertig. Aber wo ?

Twizy Intens ; EZ 11/16 ; Parrot mit Pioneer-Sub ; H145/13 V135/13; Spacer 10mm; Zusatzlager, Lader Ventilation optimiert ; Mario Hack ; Kaufakku; Rückfahrkamera, Lüftungsschlitze freigeräumt , LED Frontlicht, ToM , LEGASTHENIKER aus NRW
Anhänge:
Letzte Änderung: 25 Jan 2024 18:36 von Berthold.

Bitte Anmelden oder Registrieren um der Konversation beizutreten.

  • Jack-Lee
  • Jack-Lees Avatar
  • Platinum Boarder
  • Platinum Boarder
  • Beiträge: 1940
  • Dank erhalten: 2515
25 Jan 2024 20:06 #253284 von Jack-Lee
China-Sattel Zweite Entlüfterschraube nachrüsten ; Bohren und Gewindeschneiden
Da hast du einen Punkt. Da hat mein Hirn nicht mal ne Warnmeldung raus geschickt.
Würde dann einen Gewindestift mit Kugeldruckzapfen nehmen :
norelem.de/de/Produkt%C3%BCbersicht/Flex...estifte-mit-Kugeldruckzapfen/p/agid.4035

Twizy Ersatzakkus und Tuning : www.voltraa.de

Bitte Anmelden oder Registrieren um der Konversation beizutreten.

  • Berthold
  • Bertholds Avatar
  • Autor
  • Platinum Boarder
  • Platinum Boarder
  • Beiträge: 2827
  • Dank erhalten: 2548
25 Jan 2024 21:01 #253286 von Berthold
China-Sattel Zweite Entlüfterschraube nachrüsten ; Bohren und Gewindeschneiden
Habe jetzt auch noch gesucht und nichts gefunden.
Alternativ …
M8 x 12 Din 914 aus VA mit Kegelspitze 90 grad . (Die Kugelspitze gefällt mir nicht und ist auch nicht VA rostfrei.)
Da es nur um einen kleine Menge geht habe ich 25 Stück bestellt. Kosten fast nichts bei Ebay .
Die 2 Stück Verschlussschrauben plus 2 Reserve habe ich in der Drehbank schneller passend gedreht als ich sie im Netzt finden kann.
Die Abgesetzte Spitze wie wir es brauchen scheint es nicht als DIN zu geben. Das ist halt speziell für Bremssättel .
Selbst ist der Mann. Ich liebe meine Drehbank :kiss: Basta. Das wird wunderschön.

Twizy Intens ; EZ 11/16 ; Parrot mit Pioneer-Sub ; H145/13 V135/13; Spacer 10mm; Zusatzlager, Lader Ventilation optimiert ; Mario Hack ; Kaufakku; Rückfahrkamera, Lüftungsschlitze freigeräumt , LED Frontlicht, ToM , LEGASTHENIKER aus NRW
Folgende Benutzer bedankten sich: villadsen, green_fox

Bitte Anmelden oder Registrieren um der Konversation beizutreten.

   Become a Patron