Bremskolben Vorne neu

  • Justus
  • Justuss Avatar
  • Expert Boarder
  • Expert Boarder
  • Beiträge: 262
  • Dank erhalten: 51
30 Apr 2016 10:44 #107414 von Justus
Bremskolben Vorne neu
Habe gerade die "fürchterlich illegalen" Bremskolben incl. der Dichtungen von dingdong eingebaut und bin begeistert. Funktionieren bestens.
DANKE, DANKE, DANKE

Bin mal gespannt auf die "unrostbaren" Schrauben

stay hungry stay foolish (Steve Jobs) Übrigens... Grünen Strom gibt´s bei Greenpeace-Energy.de

Bitte Anmelden oder Registrieren um der Konversation beizutreten.

  • Joe1986
  • Joe1986s Avatar
  • Fresh Boarder
  • Fresh Boarder
  • Machs fertig sonst machts dich fertig
  • Beiträge: 38
  • Dank erhalten: 17
30 Apr 2016 11:07 #107416 von Joe1986
Re:Bremskolben Vorne neu

dingdong schrieb: So noch mal ein kurzes UPDATE!
Es gibt zur Zeit noch maximal 9 Sätze Bremskolben.
Danach ist erst mal Schluss.
Ich müßte wieder ca. 150 Stück herstellen lassen und der Preis wäre auch um einiges höher.
Das nur zur Info.
Die verbleibenden paar Sätze Kolben (außer diesen 9 ) sind schon für einen guten Freund unterhalb des Weißwurscht-Äquators bestimmt.

Von den Dichtringen gibt es noch ca 25 Sätze

Gruß in die abendliche Runde
Thomas


Hi Thomas,
denk an die hintere Bremse, da brauchen wir dich....

Johannes

Bitte Anmelden oder Registrieren um der Konversation beizutreten.

  • brunbjoern
  • brunbjoerns Avatar
  • Gold Boarder
  • Gold Boarder
  • Beiträge: 1358
  • Dank erhalten: 703
30 Apr 2016 12:41 #107424 von brunbjoern
Bremskolben Vorne neu
Ich hätte Interesse an einem Satz. PN ist raus.

Viele Grüße,
brunbjoern

Bitte Anmelden oder Registrieren um der Konversation beizutreten.

  • Mittelhesse
  • Mittelhesses Avatar
  • Pro Boarder
  • Pro Boarder
  • Beiträge: 739
  • Dank erhalten: 1066
04 Mai 2016 17:40 #107759 von Mittelhesse
Bremskolben Vorne neu
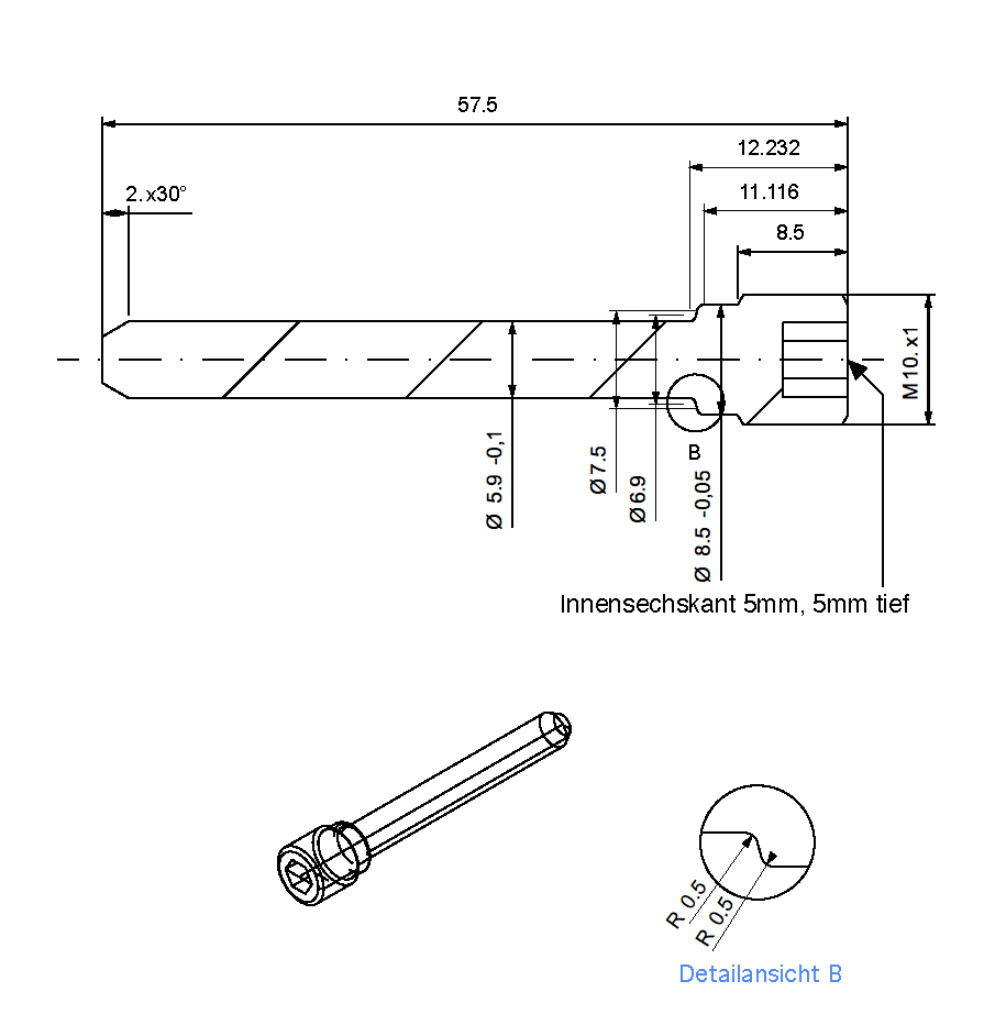
hier der erste Entwurf des Bolzen



Gruß vom Schwertschmied
Stefan
Model 3 (Nidhöggr) schwarz LR AWD seit 14.02.19
Fuhrparkmanager für:
Renault: ZOE und Twizy
Opel: Vivaro-E (Kastenwagen 75kWh mittlerer Radstand)
Citroën: Berlingo electric Kastenwagen
Anhänge:

Bitte Anmelden oder Registrieren um der Konversation beizutreten.

  • Justus
  • Justuss Avatar
  • Expert Boarder
  • Expert Boarder
  • Beiträge: 262
  • Dank erhalten: 51
05 Mai 2016 09:46 #107803 von Justus
Bremskolben Vorne neu
Bin ja beim dingdong auf der Liste und hoffe auf baldige Lieferung. Mache dann auch gern den Betatest.
Hallo mittelhesse :die Bilder der Bremsscheibe kommen...

stay hungry stay foolish (Steve Jobs) Übrigens... Grünen Strom gibt´s bei Greenpeace-Energy.de

Bitte Anmelden oder Registrieren um der Konversation beizutreten.

  • shthpnz
  • shthpnzs Avatar
  • Pro Boarder
  • Pro Boarder
  • Beiträge: 450
  • Dank erhalten: 172
08 Mai 2016 17:02 #108075 von shthpnz
Re:Bremskolben Vorne neu
@dingdong: unsere 2 Twizy's haben heute deine high tech Kolben mit Dichtringen bekommen. Danke.
Eine Beobachtung:
die 2013 T: wenn die Kolbe ausgepresst ist stoppt das Fließen vom Bremseöl.
Bei die 1015 T bleibt die Öl immer laufen. Da nützt ein Holzstück zwischen Sessel und Pedal. Ja ich habe ein extra Kanister Bremseöl gekauft

Hauptkommandant Generalstab Sonder- und Strandfeten
Folgende Benutzer bedankten sich: dingdong

Bitte Anmelden oder Registrieren um der Konversation beizutreten.

  • dingdong
  • dingdongs Avatar
  • Autor
  • Platinum Boarder
  • Platinum Boarder
  • Die Macht möge uns helfen zu überleben
  • Beiträge: 4346
  • Dank erhalten: 2722
08 Mai 2016 18:47 #108081 von dingdong
Re:Bremskolben Vorne neu

shthpnz schrieb: @dingdong: unsere 2 Twizy's haben heute deine high tech Kolben mit Dichtringen bekommen. Danke.
Eine Beobachtung:
die 2013 T: wenn die Kolbe ausgepresst ist stoppt das Fließen vom Bremseöl.
Bei die 1015 T bleibt die Öl immer laufen. Da nützt ein Holzstück zwischen Sessel und Pedal. Ja ich habe ein extra Kanister Bremseöl gekauft


Danke für den Tip.

Nie wieder Faschismus
(1. Twizy-Deutschland-Tour)
Bad Homburg-Norddeich-München-Bad Homburg
17.07-29.07.2014 2304 km
Die Macht möge mit den Rechtschaffenen sein!

Bitte Anmelden oder Registrieren um der Konversation beizutreten.

  • Justus
  • Justuss Avatar
  • Expert Boarder
  • Expert Boarder
  • Beiträge: 262
  • Dank erhalten: 51
08 Mai 2016 18:53 #108082 von Justus
Bremskolben Vorne neu
was sagt mir das??

stay hungry stay foolish (Steve Jobs) Übrigens... Grünen Strom gibt´s bei Greenpeace-Energy.de

Bitte Anmelden oder Registrieren um der Konversation beizutreten.

  • Lademeister
  • Lademeisters Avatar
  • Pro Boarder
  • Pro Boarder
  • Beiträge: 526
  • Dank erhalten: 157
08 Mai 2016 20:14 #108086 von Lademeister
Bremskolben Vorne neu
"die 2013 T: wenn die Kolbe ausgepresst ist....
Bei die 1015 ....."

...wow, das es den Twizy schon knapp 1000 Jahre gibt...
Das war mir neu.

Juli 2019: 70.000km, seit Dezember 2018 Eigentümer vom Traktions-Akku
Seit April 2015: zusätzlich Nissan e-NV200, mit über 100.000km
Seit Dezember 2022: Opel Vivaro-E



Bitte Anmelden oder Registrieren um der Konversation beizutreten.

  • shthpnz
  • shthpnzs Avatar
  • Pro Boarder
  • Pro Boarder
  • Beiträge: 450
  • Dank erhalten: 172
08 Mai 2016 21:25 #108090 von shthpnz
Re:Bremskolben Vorne neu
@Justus: das Meint das beim Wechseln vom Dichtungen beim 2015 T das Bremspedal ein bischen eingedrückt bleiben soll, damit das Laufen von Öl stoppt.

Hauptkommandant Generalstab Sonder- und Strandfeten

Bitte Anmelden oder Registrieren um der Konversation beizutreten.

  • Justus
  • Justuss Avatar
  • Expert Boarder
  • Expert Boarder
  • Beiträge: 262
  • Dank erhalten: 51
08 Mai 2016 21:59 #108091 von Justus
Bremskolben Vorne neu
ist denn beim 2015 eine andere Bremse verbaut?

stay hungry stay foolish (Steve Jobs) Übrigens... Grünen Strom gibt´s bei Greenpeace-Energy.de

Bitte Anmelden oder Registrieren um der Konversation beizutreten.

  • stromkreisparadies
  • stromkreisparadiess Avatar
  • Platinum Boarder
  • Platinum Boarder
  • Markus
  • Beiträge: 3751
  • Dank erhalten: 1028
09 Mai 2016 05:54 #108098 von stromkreisparadies
Re:Bremskolben Vorne neu

shthpnz schrieb: Eine Beobachtung:
die 2013 T: wenn die Kolbe ausgepresst ist stoppt das Fließen vom Bremseöl.
Bei die 1015 T bleibt die Öl immer laufen. Da nützt ein Holzstück zwischen Sessel und Pedal. Ja ich habe ein extra Kanister Bremseöl gekauft

shthpnz schrieb: @Justus: das Meint das beim Wechseln vom Dichtungen beim 2015 T das Bremspedal ein bischen eingedrückt bleiben soll, damit das Laufen von Öl stoppt.


und das meint auch dass beim 2013 die bremse irgendwie defekt ist. den eigentlich läuft das IMMER aus und lässt sich nur durch "auf der bremse" stehen beseitigen. bei meinem 2012er übrigens auch.

Grüße von Markus

-> Twizy Technic, LED Tagfahrlicht, LED Innenbeleuchtung, Sitzheizung, Radio mit Freisprecheinrichtung
-> Brammo Empulse R
-> 2x Elektrofahrrad (Stadt-Trekking und Downhill für den Wald)

Bitte Anmelden oder Registrieren um der Konversation beizutreten.

  • shthpnz
  • shthpnzs Avatar
  • Pro Boarder
  • Pro Boarder
  • Beiträge: 450
  • Dank erhalten: 172
09 Mai 2016 06:23 - 09 Mai 2016 06:25 #108100 von shthpnz
Bremskolben Vorne neu
@stromkreisparadies: Now We are Talking Business. Danke. An beide Seiten läufte es nicht aus. Dann hat es zu tun mit dem Hauptbremszylinder. (Aber hier zu viel off topic)

Hauptkommandant Generalstab Sonder- und Strandfeten
Letzte Änderung: 09 Mai 2016 06:25 von shthpnz.

Bitte Anmelden oder Registrieren um der Konversation beizutreten.

  • dingdong
  • dingdongs Avatar
  • Autor
  • Platinum Boarder
  • Platinum Boarder
  • Die Macht möge uns helfen zu überleben
  • Beiträge: 4346
  • Dank erhalten: 2722
09 Mai 2016 08:16 - 09 Mai 2016 08:17 #108109 von dingdong
Bremskolben Vorne neu

shthpnz schrieb: @stromkreisparadies: Now We are Talking Business. Danke. An beide Seiten läufte es nicht aus. Dann hat es zu tun mit dem Hauptbremszylinder. (Aber hier zu viel off topic)

Nein Roel, das ist hier nicht off topic.
Das passt.

Was Roel sagen will, ist das bei den alten Modellen, wenn man die Kolben ausgedrückt hat, das Bremsöl auf hört zu laufen(Also nur das System bis zum Hauptbremszylinder) . Was aber nicht normal wäre. Normal müßte das Öl auch aus dem Behälter leer laufen wenn man das Pedal nicht betätigt. Weil dann die Bohrungen im Hauptbremszylinder alle auf offen stehen. Den nur so kann beim regulären Betrieb das Öl auch wieder nach dem Bremsen korrekt zurück laufen(Druck abbauen). Das war mir nicht aufgefallen. Also beim Ausdrücken der Bremskolben Bremse betätigen, dann bleibt das Öl bis zum Hauptbremszylinder in System, was ausserdem das Entlüften erleichtert.
Für weitere Fragen stehe ich zur Verfügung.
Gruß in die Runde
Thomas

Nie wieder Faschismus
(1. Twizy-Deutschland-Tour)
Bad Homburg-Norddeich-München-Bad Homburg
17.07-29.07.2014 2304 km
Die Macht möge mit den Rechtschaffenen sein!
Letzte Änderung: 09 Mai 2016 08:17 von dingdong. Begründung: links geschrieben, oder doch rechts? :-)

Bitte Anmelden oder Registrieren um der Konversation beizutreten.

  • TwizyChrisy
  • TwizyChrisys Avatar
  • 10k Boarder
  • 10k Boarder
  • Der Trend geht klar zum Zweittwizy äähhh....
  • Beiträge: 20427
  • Dank erhalten: 13115
09 Mai 2016 11:45 #108129 von TwizyChrisy
Bremskolben Vorne neu
Man lernt auch als UHU (unter Hundertjähriger) jeden Tag was dazu.

Danke für den Tip!

Mehr Twizys, mehr Freude.

Bitte Anmelden oder Registrieren um der Konversation beizutreten.

   Become a Patron