Akku/Lader/tiefenentladung/Fremdladen/Messungen

  • Klomp,y
  • Klomp,ys Avatar
  • Autor
  • Fresh Boarder
  • Fresh Boarder
  • Beiträge: 34
  • Dank erhalten: 13
25 Mai 2024 23:00 #257611 von Klomp,y
Akku/Lader/tiefenentladung/Fremdladen/Messungen
Hallo zusammen,
auf die Gefahr hin mir ein-oder zwei rüffel einzufangen!
Möchte ich doch ein Thema starten!
Habe100??¿? Wer mag mir weiter helfen!
Habe mir gefühlt zig Themen durchgelesen,und habe nicht so richtig für meine Probleme mit den beiden twizy,s die ich seit kurzem gekauft habe ,was gefunden.

Bitte Anmelden oder Registrieren um der Konversation beizutreten.

  • green_fox
  • green_foxs Avatar
  • Gold Boarder
  • Gold Boarder
  • Beiträge: 1222
  • Dank erhalten: 705
25 Mai 2024 23:42 #257614 von green_fox
Akku/Lader/tiefenentladung/Fremdladen/Messungen
Kannst deine Probleme mal kurz in ein paar Worten schildern ? :)

Ich fahre mit 100% veganen Strom ;-)

Bitte Anmelden oder Registrieren um der Konversation beizutreten.

  • Klomp,y
  • Klomp,ys Avatar
  • Autor
  • Fresh Boarder
  • Fresh Boarder
  • Beiträge: 34
  • Dank erhalten: 13
26 Mai 2024 01:01 #257616 von Klomp,y
Akku/Lader/tiefenentladung/Fremdladen/Messungen
Hallo Green fox,
wie soll ich sagen,
Habe mir einen defekten 80er zugelegt::war günstig halt.
Wurde mir so verkauft das er seit 3jahren nicht mehr läuft,weil er wohl mal falsch fremd geladen wurde und noch angeblich vepoolt wurde.!Lader war ausgebaut und war aber dabei.
Soweit so gut.abgeholt und ab in die Garage,teile wieder zusammen fügen.war auch alles dabei und da.
Nach dem Zusammenbau fremde 12v Batterie dran,und sieh da Display lebt.hatte akku auf null% und einen km Stand der mir 27000 anzeigte.
Schon mal nicht schlecht dachte ich!
Mit viel Naivität den schuko eingesteckt und sieh da er lud und sogar der lüfter lief.
10min später allerdings flog die Sicherung im haus seid dem sagt das ladegerät nichts mehr.
Im Forum nachgeschaut ist bekannt Lader verweigert hier und da den Dienst.
Also raus damit,aufgemacht,siehe da 2 mosfets abgeraucht.also erstmal defekt.wurde im Forum auch beschrieben,kann mal wohl neu reinmachen.
So meine Frage wäre da wie kann ich die Akkus Fremdladen ohne sie gleich zu beschädigen ,??,,Tiefeneinladung ??? nach 3 Jahren Stillstand.??
Und muss ich die Relais mit 12v im Akku Manuel frei schalten zum L aden des akkus ???
Möchte ja nicht durch nicht wissen gleich alles abrauchen!

Wäre über jede Info die mich erstmal weiterbringt dankbar.!!
Mfg.chris

Bitte Anmelden oder Registrieren um der Konversation beizutreten.

  • Snorre
  • Snorres Avatar
  • Platinum Boarder
  • Platinum Boarder
  • Beiträge: 6268
  • Dank erhalten: 4470
26 Mai 2024 08:51 #257619 von Snorre
Akku/Lader/tiefenentladung/Fremdladen/Messungen
Hallo Chris.

Als ersten Schritt solltest du den Fahrakku ausbauen, öffnen und die einzelnen Zellspannungen messen.
Je nach dem was sich da ergibt, könntest du dann versuchen den Modulen einzeln, z.B. mit einem Modellbauladegerät, neues Leben einzuhauchen.
Danach sieht man weiter.

Twizy Cargo, EZ 07/2014, 110.000 km, Stand 09/2024

Bitte Anmelden oder Registrieren um der Konversation beizutreten.

  • Klomp,y
  • Klomp,ys Avatar
  • Autor
  • Fresh Boarder
  • Fresh Boarder
  • Beiträge: 34
  • Dank erhalten: 13
26 Mai 2024 09:54 #257621 von Klomp,y
Akku/Lader/tiefenentladung/Fremdladen/Messungen
Hallo Snorre,
danke für dein Interesse,hatte schon befürchtet das es so kommt.
Also gar nicht erst ,,Rumeiern,,sondern gleich ins Eingemachte gehen.
Alles ausbauen und mal prüfen was noch machbar ist.
Weil raus muss er ja eh mal.
OK werde berichten was bei raus kommt.
Hilft dann ja auch bei allen anderen Entscheidungen!

Bitte Anmelden oder Registrieren um der Konversation beizutreten.

  • Klomp,y
  • Klomp,ys Avatar
  • Autor
  • Fresh Boarder
  • Fresh Boarder
  • Beiträge: 34
  • Dank erhalten: 13
26 Mai 2024 09:54 #257622 von Klomp,y
Akku/Lader/tiefenentladung/Fremdladen/Messungen
PS.mfg chris

Bitte Anmelden oder Registrieren um der Konversation beizutreten.

  • TwizyChrisy
  • TwizyChrisys Avatar
  • 10k Boarder
  • 10k Boarder
  • Der Trend geht klar zum Zweittwizy äähhh....
  • Beiträge: 20286
  • Dank erhalten: 12880
26 Mai 2024 10:47 #257623 von TwizyChrisy
Akku/Lader/tiefenentladung/Fremdladen/Messungen
Lass erst mal die Finger vom großen Akku und besorg/kauf/lassrichten Dir ein funktionierendes Ladegerät.

Zu 95% ist der große Akku noch OK.

Mehr Twizys, mehr Freude.

Bitte Anmelden oder Registrieren um der Konversation beizutreten.

  • Klomp,y
  • Klomp,ys Avatar
  • Autor
  • Fresh Boarder
  • Fresh Boarder
  • Beiträge: 34
  • Dank erhalten: 13
26 Mai 2024 12:39 #257626 von Klomp,y
Akku/Lader/tiefenentladung/Fremdladen/Messungen
Hallo Chrisy,
danke für deine Antwort!
Ja schon klar,aber halt nicht mal eben zu bekommen im sonnigen Spanien.
Könnte aber fremd laden hätte ein rollerlader mit 60-72v l1500watt.
Würde aber gerne vorab gerne den Akku Messen! Am Eingang des Akkus kommt nicht 1volt an. Des halb auch die Frage ob ich erst die Relais schalten muss um überhaubt was Messen zu können,oder halt einen andern Punkt am Akku nehmen muss zum Messen sprich Motorseite??
Wäre ja schon mal schön zu wissen ob der Akku überhaubt noch Spannung hat.
Mfg Chris

Bitte Anmelden oder Registrieren um der Konversation beizutreten.

  • Pfälzer68
  • Pfälzer68s Avatar
  • Platinum Boarder
  • Platinum Boarder
  • Beiträge: 8911
  • Dank erhalten: 5549
26 Mai 2024 13:10 #257627 von Pfälzer68
Akku/Lader/tiefenentladung/Fremdladen/Messungen
Wenn Du den Lader ohne großartige Spuren wieder zusammenschrauben kannst wäre eine Reparatur bei der Fa. Sender in D möglich. Die nehmen das Ding aber nur an wenn nicht vorher bereits dran gemurkst wurde.
Für die Rückfracht müsstest imho halt vorher abklären ob die das nach Spanien schicken oder Du packst ein Retourenlabel bei.

Bitte Anmelden oder Registrieren um der Konversation beizutreten.

  • Jack-Lee
  • Jack-Lees Avatar
  • Platinum Boarder
  • Platinum Boarder
  • Beiträge: 1871
  • Dank erhalten: 2425
26 Mai 2024 13:10 #257628 von Jack-Lee
Akku/Lader/tiefenentladung/Fremdladen/Messungen
Du musst erst das Hauptschütz zum Sevcon oder Lader schalten, sonst ist der Akku galvanisch getrennt von seinen Anschlüssen.

Twizy Ersatzakkus und Tuning : www.voltraa.de
Folgende Benutzer bedankten sich: weiss60, Pfälzer68, Klomp,y

Bitte Anmelden oder Registrieren um der Konversation beizutreten.

  • Snorre
  • Snorres Avatar
  • Platinum Boarder
  • Platinum Boarder
  • Beiträge: 6268
  • Dank erhalten: 4470
26 Mai 2024 13:35 #257630 von Snorre
Akku/Lader/tiefenentladung/Fremdladen/Messungen

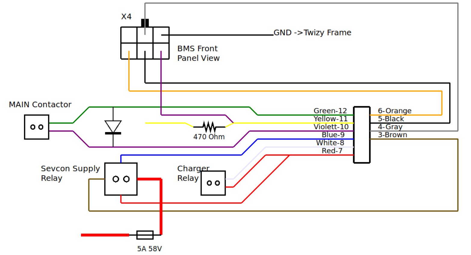
Klomp,y schrieb: Des halb auch die Frage ob ich erst die Relais schalten muss um überhaubt was Messen zu können


Ja musst du!
Hinten am Akku, rechts neben dem orangenen Stecker, der zum SEVCON führt, befindet sich die schwarze Yazaki-Buchse.



Wenn du 12V an die Pins 10 und 12 anlegst, sollte das Motorrelais schalten und du kannst Motorstecker messen, ob der Akkublock noch Spannung führt.
Wenn du 12V an die Pins 7 und 8 anlegst, sollte das Laderelais schalten und du kannst Ladegerätestecker messen, ob der Akkublock noch Spannung führt.

Sollte keine Spannung anliegen, dann muss das aber nicht bedeuten, das der Akku komplett tiefentladen ist.
Es könnten auch die internen 50A bzw. die 500A Sicherungen durchgebrannt sein. ;)
Du kannst diese Messungen vorab durchführen, um den Ausbau des Akku wirst du mit hoher Wahrscheinlichkeit aber nicht herumkommen.

Twizy Cargo, EZ 07/2014, 110.000 km, Stand 09/2024
Anhänge:
Folgende Benutzer bedankten sich: TwizyChrisy

Bitte Anmelden oder Registrieren um der Konversation beizutreten.

  • Klomp,y
  • Klomp,ys Avatar
  • Autor
  • Fresh Boarder
  • Fresh Boarder
  • Beiträge: 34
  • Dank erhalten: 13
26 Mai 2024 13:45 #257631 von Klomp,y
Akku/Lader/tiefenentladung/Fremdladen/Messungen
Leider nicht mehr so einfach.
Habe schon die defekten Morfets entfernt,und werde mal den Versuch starten sie zu bestellen und wieder einzulöten.
Um zu schauen was er dann noch sagt.
Mfg.Chris

Bitte Anmelden oder Registrieren um der Konversation beizutreten.

  • Klomp,y
  • Klomp,ys Avatar
  • Autor
  • Fresh Boarder
  • Fresh Boarder
  • Beiträge: 34
  • Dank erhalten: 13
26 Mai 2024 13:53 #257632 von Klomp,y
Akku/Lader/tiefenentladung/Fremdladen/Messungen
Danke das sind doch mal Aussagen,damit kann man schon mal was erreichen.
Also doch die Relais schalten.!
Werde es ausprobieren und euch Meldung machen.
Danke fürs mitwirken.
Mfg.Chris

Bitte Anmelden oder Registrieren um der Konversation beizutreten.

  • Goldbacher
  • Goldbachers Avatar
  • Platinum Boarder
  • Platinum Boarder
  • Beiträge: 4372
  • Dank erhalten: 2059
26 Mai 2024 14:15 #257633 von Goldbacher
Akku/Lader/tiefenentladung/Fremdladen/Messungen
Hallo,
weil du zwei Twizys hast, könnte die Fehlersuche schnell zum Erfolg führen. Ich habe hier auch noch ein Ladegerät, bei dem zwei Mosfets durchgebrannt sind. Auf den Bildern sind es immer die gleichen, wie bei mir auch, in der Nähe der Kühlblechaussparung für den Lüfter.
Bisher gab es sehr selten erfolgreiche Reparaturen nur durch den Austausch der Mosfets. Ich bin gespannt, ob du mehr Glück hast.

Bitte Anmelden oder Registrieren um der Konversation beizutreten.

  • Pfälzer68
  • Pfälzer68s Avatar
  • Platinum Boarder
  • Platinum Boarder
  • Beiträge: 8911
  • Dank erhalten: 5549
26 Mai 2024 14:45 #257635 von Pfälzer68
Akku/Lader/tiefenentladung/Fremdladen/Messungen

Goldbacher schrieb: Bisher gab es sehr selten erfolgreiche Reparaturen nur durch den Austausch der Mosfets. Ich bin gespannt, ob du mehr Glück hast.


Gabs die überhaupt?
Folgende Benutzer bedankten sich: weiss60, JPB

Bitte Anmelden oder Registrieren um der Konversation beizutreten.

   Become a Patron