Reparatur Getriebewelle

  • Mittelhesse
  • Mittelhesses Avatar
  • Pro Boarder
  • Pro Boarder
  • Beiträge: 739
  • Dank erhalten: 1066
18 Aug 2019 13:00 #180260 von Mittelhesse
Reparatur Getriebewelle
erste Überarbeitung der Zeichnung ist an Öko1 raus (Toleranzen), vorausgesetzt ich habe die Funktionsweise verstanden,
welcher aussendurchmesser Zentriert, wo liegt es plan an.

Die Idee mit den Versenkten Inbusschrauben finde ich gut :D

Gruß vom Schwertschmied
Stefan
Model 3 (Nidhöggr) schwarz LR AWD seit 14.02.19
Fuhrparkmanager für:
Renault: ZOE und Twizy
Opel: Vivaro-E (Kastenwagen 75kWh mittlerer Radstand)
Citroën: Berlingo electric Kastenwagen
Folgende Benutzer bedankten sich: Öko1, Timo

Bitte Anmelden oder Registrieren um der Konversation beizutreten.

  • stromkreisparadies
  • stromkreisparadiess Avatar
  • Platinum Boarder
  • Platinum Boarder
  • Markus
  • Beiträge: 3751
  • Dank erhalten: 1028
18 Aug 2019 13:55 - 18 Aug 2019 13:58 #180262 von stromkreisparadies
Reparatur Getriebewelle
ach mist, das überschneidet sich jetzt...

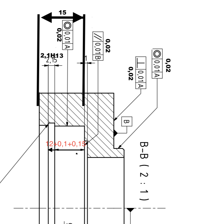
Danke @ Timo für die Zeichnung. Leider hast du Parallelbemaßungen verwendet, welche zwar gut geeignet sind wenn man einen Prototypen fertigen möchte aber für ein Serienteil sollte es schon Funktionsbemaßung sein, weil sich sonst Toleranzen so addieren können dass es nicht zusammenpasst.
Ich konnte in deine Zeichnung nix eintragen weil sich da viel ändert, ich habe das fix neugezeichnet. Die fertigen Toleranzen rauszusuchen ist garnicht so einfach. Ich habe auch ein paar Details geändert, so ist die Nur laut DIN 2,15 statt 2 und die Fase innen habe ich durch einen Absatz ersetzt, damit mehr Material übrigbleibt.

Überall wo ??? stehe bin ich mir nicht sicher, ich bin auch nicht so der Zeichnungsprofi und auch was die Lagetoleranzen angeht. vllt kann der Schwerschmied hier helfen.
alle Maße ohne Toleranzen können IMHO nach ISO 2768-1 m (mittlere Genauigkeit) gefertigt werden. Material ist auch noch nicht festgelegt.

Was also zu klären wäre:
-Material
-Freistiche
-Lagersitz
-40er Maß Toleranz
-Lagetoleranzen

fehlt was?

EDIT: grad gesehen, Maßstab ist ja mist, wird noch auf A4 angepasst.

Dieser Anhang ist für Gäste verborgen.
Bitte anmelden oder registrieren um den Anhang zu sehen.

Grüße von Markus

-> Twizy Technic, LED Tagfahrlicht, LED Innenbeleuchtung, Sitzheizung, Radio mit Freisprecheinrichtung
-> Brammo Empulse R
-> 2x Elektrofahrrad (Stadt-Trekking und Downhill für den Wald)

Dieser Beitrag enthält einen Anhang.
Bitte anmelden (oder registrieren) um ihn zu sehen.

Letzte Änderung: 18 Aug 2019 13:58 von stromkreisparadies.
Folgende Benutzer bedankten sich: Öko1, Mittelhesse, Timo

Bitte Anmelden oder Registrieren um der Konversation beizutreten.

  • stromkreisparadies
  • stromkreisparadiess Avatar
  • Platinum Boarder
  • Platinum Boarder
  • Markus
  • Beiträge: 3751
  • Dank erhalten: 1028
18 Aug 2019 14:02 #180263 von stromkreisparadies
Reparatur Getriebewelle

Öko1 schrieb: Messergebnis 3D Taster:


Also ich habe nicht genau verstanden was du wie gemessen hast aber unser Lagerspezialist meinte:

Öko1 schrieb: Rotierender Teil des Lagers festgedrückt und etwas verdreht an 4 Punkten gemessen - 0,019mm Unterschied.


Dass dies zuviel ist, aber vermutlich bleibt das im Lagerspiel und allgemeinen Toleranzen stecken. Oder das Lager verschleißt einfach total schnell...

Grüße von Markus

-> Twizy Technic, LED Tagfahrlicht, LED Innenbeleuchtung, Sitzheizung, Radio mit Freisprecheinrichtung
-> Brammo Empulse R
-> 2x Elektrofahrrad (Stadt-Trekking und Downhill für den Wald)

Bitte Anmelden oder Registrieren um der Konversation beizutreten.

  • Mittelhesse
  • Mittelhesses Avatar
  • Pro Boarder
  • Pro Boarder
  • Beiträge: 739
  • Dank erhalten: 1066
18 Aug 2019 14:04 - 18 Aug 2019 14:16 #180264 von Mittelhesse
Reparatur Getriebewelle
Form und Lage aus den 0,01 kannst du ruhig 0,02 machen
Einstich Sicherungsring DIN 472 Normgerecht 2,1H13
Lagersitz ø55K6 oder wenn's ganz Press sein soll 55M6
Im Lagersitz brauchst du keinen Freistich, das Lager hat einen Radius.
Vo dem Sicherungsring reicht 55,1 sonst kannst du beim Einpressen
wieder verkanten. 3mm wird nicht bemaßt sondern nur die Planfläche
Lagerauflage, und das Maß 10+0,05->+0,1 das du schon bemaßt hast.
ø55,5 bzw. 55,1 kann man noch mit einer Fase 1x15° versehen.

Noch Fragen?

Dieser Anhang ist für Gäste verborgen.
Bitte anmelden oder registrieren um den Anhang zu sehen.

Gruß vom Schwertschmied
Stefan
Model 3 (Nidhöggr) schwarz LR AWD seit 14.02.19
Fuhrparkmanager für:
Renault: ZOE und Twizy
Opel: Vivaro-E (Kastenwagen 75kWh mittlerer Radstand)
Citroën: Berlingo electric Kastenwagen

Dieser Beitrag enthält einen Anhang.
Bitte anmelden (oder registrieren) um ihn zu sehen.

Letzte Änderung: 18 Aug 2019 14:16 von Mittelhesse.
Folgende Benutzer bedankten sich: stromkreisparadies, Öko1

Bitte Anmelden oder Registrieren um der Konversation beizutreten.

  • stromkreisparadies
  • stromkreisparadiess Avatar
  • Platinum Boarder
  • Platinum Boarder
  • Markus
  • Beiträge: 3751
  • Dank erhalten: 1028
18 Aug 2019 14:19 - 18 Aug 2019 14:22 #180266 von stromkreisparadies
Reparatur Getriebewelle

Mittelhesse schrieb: Form und Lage aus den 0,01 kannst du ruhig 0,02 machen

ist ja nicht willkürlich gewählt. Die frage ist, was brauchts... da fehlt mir die Erfahrung

Mittelhesse schrieb: Lagersitz ø55K6 oder wenn's ganz Press sein soll 55M6

habe ich von hier, Seite 37 das war schon das "gröbste".
www.tmh-at.de/downloads/files/nsk/Hauptkatalog_-_Waelzlager_-_PDF_-_Teil_B.pdf

"Drehkolben von Hochfrequenzspindeln" ist -5µm
werde es auf K6 ändern

Mittelhesse schrieb: Im Lagersitz brauchst du keinen Freistich, das Lager hat einen Radius.

Ja, aber doppelt hält besser :D Dein Drehmeißel doch auch, oder?

Mittelhesse schrieb: Vo dem Sicherungsring reicht 55,1 sonst kannst du beim Einpressen
wieder verkanten.
[...]
ø55,5 bzw. 55,1 kann man noch mit einer Fase 1x15° versehen.

ist ein Argument, wird gemacht.

Mittelhesse schrieb: 3mm wird nicht bemaßt sondern nur die Planfläche
Lagerauflage, und das Maß 10+0,05->+0,1 das du schon bemaßt hast.

hä? aus den Maßketten und der 25er Höhe ergibt sich doch die unbemaßte Dicke an dem Kontakt zum Getriebe. Und die ist nicht so wichtig.
Die 3mm sind schon zuwenig, in Tabellen habe ich 4,5 gefunden. Oder sehe ich das falsch?

Grüße von Markus

-> Twizy Technic, LED Tagfahrlicht, LED Innenbeleuchtung, Sitzheizung, Radio mit Freisprecheinrichtung
-> Brammo Empulse R
-> 2x Elektrofahrrad (Stadt-Trekking und Downhill für den Wald)
Letzte Änderung: 18 Aug 2019 14:22 von stromkreisparadies.

Bitte Anmelden oder Registrieren um der Konversation beizutreten.

  • Mittelhesse
  • Mittelhesses Avatar
  • Pro Boarder
  • Pro Boarder
  • Beiträge: 739
  • Dank erhalten: 1066
18 Aug 2019 14:25 - 18 Aug 2019 14:29 #180267 von Mittelhesse
Reparatur Getriebewelle
Funktionsmaße,

die tiefe der Plananlage Kugellager wird angegeben (wenn nötig mit Toleranz)
von dort wird die Lagerbreite +0,05 +0,1 bemaßt, danach folgt der Sicherungsring
Ringbreite +0,1H13, das Maß 3 ergibt sich dann, wird aber nicht einzeln bemaßt,
oder wird in Klammern gesetzt.

Hatte das in "meiner Zeichnung" ergänzt, bzw. geändert

Gruß vom Schwertschmied
Stefan
Model 3 (Nidhöggr) schwarz LR AWD seit 14.02.19
Fuhrparkmanager für:
Renault: ZOE und Twizy
Opel: Vivaro-E (Kastenwagen 75kWh mittlerer Radstand)
Citroën: Berlingo electric Kastenwagen
Letzte Änderung: 18 Aug 2019 14:29 von Mittelhesse.
Folgende Benutzer bedankten sich: Öko1

Bitte Anmelden oder Registrieren um der Konversation beizutreten.

  • Mittelhesse
  • Mittelhesses Avatar
  • Pro Boarder
  • Pro Boarder
  • Beiträge: 739
  • Dank erhalten: 1066
18 Aug 2019 14:31 #180268 von Mittelhesse
Reparatur Getriebewelle

stromkreisparadies schrieb:

Mittelhesse schrieb: Form und Lage aus den 0,01 kannst du ruhig 0,02 machen

ist ja nicht willkürlich gewählt. Die frage ist, was brauchts... da fehlt mir die Erfahrung


0,02 sind meiner Ansicht nach völlig ausreichend, wenn du 0,01 machen willst, wird dir jeder "Dreher" sagen, das du das schleifen lassen
musst. Wir wollen nur ein 2 Lager für den Motor, und nicht auf den Mond fliegen :laugh:

Gruß vom Schwertschmied
Stefan
Model 3 (Nidhöggr) schwarz LR AWD seit 14.02.19
Fuhrparkmanager für:
Renault: ZOE und Twizy
Opel: Vivaro-E (Kastenwagen 75kWh mittlerer Radstand)
Citroën: Berlingo electric Kastenwagen
Folgende Benutzer bedankten sich: Öko1

Bitte Anmelden oder Registrieren um der Konversation beizutreten.

  • Mittelhesse
  • Mittelhesses Avatar
  • Pro Boarder
  • Pro Boarder
  • Beiträge: 739
  • Dank erhalten: 1066
18 Aug 2019 14:43 #180269 von Mittelhesse
Reparatur Getriebewelle
muss mich selbst noch mal korrigieren, die Vorderkante des Einstichs wird von der Planfläche bemaßt


Gruß vom Schwertschmied
Stefan
Model 3 (Nidhöggr) schwarz LR AWD seit 14.02.19
Fuhrparkmanager für:
Renault: ZOE und Twizy
Opel: Vivaro-E (Kastenwagen 75kWh mittlerer Radstand)
Citroën: Berlingo electric Kastenwagen
Anhänge:
Folgende Benutzer bedankten sich: Öko1

Bitte Anmelden oder Registrieren um der Konversation beizutreten.

  • Mittelhesse
  • Mittelhesses Avatar
  • Pro Boarder
  • Pro Boarder
  • Beiträge: 739
  • Dank erhalten: 1066
18 Aug 2019 14:49 #180270 von Mittelhesse
Reparatur Getriebewelle

stromkreisparadies schrieb: -Material
-Freistiche
-Lagersitz
-40er Maß Toleranz
-Lagetoleranzen


Material würde ich bei Alu (hochfest) bleiben, wenn es auf Alu montiert wird
Freistich evt. am ø40 wenn dort keine Fase am Gehäuse ist.
Lagersitz geklärt
40er Maß sollte noch mal jemand am Getriebe abnehmen, ø an der Lagerhülse 0,02 bis 0,04mm kleiner
Lagetoleranzen würde ich mit 0,02 angeben

Gruß vom Schwertschmied
Stefan
Model 3 (Nidhöggr) schwarz LR AWD seit 14.02.19
Fuhrparkmanager für:
Renault: ZOE und Twizy
Opel: Vivaro-E (Kastenwagen 75kWh mittlerer Radstand)
Citroën: Berlingo electric Kastenwagen
Folgende Benutzer bedankten sich: Öko1

Bitte Anmelden oder Registrieren um der Konversation beizutreten.

  • brunbjoern
  • brunbjoerns Avatar
  • Gold Boarder
  • Gold Boarder
  • Beiträge: 1358
  • Dank erhalten: 703
18 Aug 2019 14:59 #180271 von brunbjoern
Reparatur Getriebewelle
Ich versteh' nix, bin aber beeindruckt! Vielen Dank für Euren Einsatz!

Bitte Anmelden oder Registrieren um der Konversation beizutreten.

  • Mittelhesse
  • Mittelhesses Avatar
  • Pro Boarder
  • Pro Boarder
  • Beiträge: 739
  • Dank erhalten: 1066
18 Aug 2019 15:12 - 18 Aug 2019 15:13 #180273 von Mittelhesse
Reparatur Getriebewelle
Habe eben mit Öko1 telefoniert, der ø75 muß angefast werden, sonst
wird's am Getriebegehäuse eng mit den vorhanden Stehbolzen,
wenn ich das richtig versanden habe.


Gruß vom Schwertschmied
Stefan
Model 3 (Nidhöggr) schwarz LR AWD seit 14.02.19
Fuhrparkmanager für:
Renault: ZOE und Twizy
Opel: Vivaro-E (Kastenwagen 75kWh mittlerer Radstand)
Citroën: Berlingo electric Kastenwagen
Anhänge:
Letzte Änderung: 18 Aug 2019 15:13 von Mittelhesse.

Bitte Anmelden oder Registrieren um der Konversation beizutreten.

  • udo229
  • udo229s Avatar
  • Pro Boarder
  • Pro Boarder
  • Beiträge: 795
  • Dank erhalten: 623
18 Aug 2019 15:38 #180275 von udo229
Reparatur Getriebewelle
Ich hatte Herrn Fleck angemailt. Sein Lieferant liefert die Hülsen nicht einzeln.
Er empfahl mich an eine von ihm frequentierte Dreherei weiter. Der nette Chef dort hat sich alles hier angesehen und überlegt nun selber, was er da machen kann. Gucken wir mal, ob da was passiert.
Ich wurde ange pn t, ob ich was zu den Maßen sagen kann. Kann ich nicht, viel geschraubt, nie bemaßt/gedreht etc. Wenn die Zeichnung oben allgemein abgenickt wird, frage ich mal meinen Freund ob der das Drehen kann. Dann würde ich, wenn nicht zu teuer, ein paar hertsellen lassen und interessierten Testern zukommen lassen. aber erst dann..

Twizy 45 BJ’12, 43.000km, zusatzlager, geklebte Motorhülse
Twizy 80 BJ'12 50.000 km, originalwelle und motorhülse noch
9,5 kwp auf dem Dach
Pylontechspeicher
C-Zero im Sharing
Ostholstein

Bitte Anmelden oder Registrieren um der Konversation beizutreten.

  • stromkreisparadies
  • stromkreisparadiess Avatar
  • Platinum Boarder
  • Platinum Boarder
  • Markus
  • Beiträge: 3751
  • Dank erhalten: 1028
18 Aug 2019 15:53 #180276 von stromkreisparadies
Reparatur Getriebewelle
Naja ich denke der Mittelhessen hat sich hier so reingehängt, denke das sollte man honorieren.

@75Maß / Fase: ups, die originalen Muttern habe ich vergessen.

Grüße von Markus

-> Twizy Technic, LED Tagfahrlicht, LED Innenbeleuchtung, Sitzheizung, Radio mit Freisprecheinrichtung
-> Brammo Empulse R
-> 2x Elektrofahrrad (Stadt-Trekking und Downhill für den Wald)

Bitte Anmelden oder Registrieren um der Konversation beizutreten.

  • Apexx
  • Apexxs Avatar
  • Expert Boarder
  • Expert Boarder
  • Beiträge: 356
  • Dank erhalten: 285
18 Aug 2019 15:58 #180277 von Apexx
Reparatur Getriebewelle
Hab mir die Zeichnung angeschaut. die Bohrung muss größer sein, sonst passt die Hülse nicht durch - hab ich Stromkreis schon PNt.
Die Toleranzen halte ich für extrem eng. Das zu messen braucht schon nen 3D Taster - gerade was die Koaxialität an geht.
Mein Vorschlag wäre der Machbarkeit wegen 0,05mm Rundlauf. Wenn aber die 0,02mm Coax für den Schwertschmied ok sind, dann soll's mir recht sein.
Die Zentrierung im Getriebegehäuse geht auf den Sitz vom Simmerring - Ich vermute der wird H7 sein - daran könnte man die Toleranzen anlegen für die Zentrierung.

Hab meinen Halter jetzt endlich fertig - war mehr Arbeit als ich dachte. Hab alles in einer Aufpspannung gedreht, damit glaube ich, dass auch die Koaxialität passt.
Ein sehr ungünstiges Problem war, dass ich mit meinem Abstechmeißel nicht so tief rein gekommen bin - darum hab ich dem Platz machen müssen - deshalb der Fette Radius (Rundfeile)
Meine Inbusschrauben sind hinter dem Lager versenkt. Das spart mir Durchmesser im Rohmaterial - Hab außen ca. 69mm... war dann viel knapper als gedacht...
Bilder hänge ich an.

Offtopic: Eingangswelle vom Getriebe bestellt bei Teileprofis. Die melden mit der Lieferant sagt 5-10Tage Lieferzeit. Nach 10 Tagen will er dann plötzlich ne Fahrgestellnummer - und sagt mir dann, das passt nicht zu meinem Fahrzeug - frägt mich jedoch um was es sich hierbei für ein Teil handelt. Hab denen n Bild gegeben und gesagt, entweder die können mir die korrekte Nummer geben oder ich würde gerne bei der Aufgegebenen Bestellung bleiben. Antwort: Lieferzeit ca. 1 Woche.
Anhänge:
Folgende Benutzer bedankten sich: Öko1

Bitte Anmelden oder Registrieren um der Konversation beizutreten.

  • Mittelhesse
  • Mittelhesses Avatar
  • Pro Boarder
  • Pro Boarder
  • Beiträge: 739
  • Dank erhalten: 1066
18 Aug 2019 17:01 #180281 von Mittelhesse
Reparatur Getriebewelle
Das Kugellager 61907 hat in der gedichtet Ausführung eine max. Drehzahl von 7500 U/min (SKF Katalog)
wie hoch ist die max. Motordrehzahl beim Twizy?

Gruß vom Schwertschmied
Stefan
Model 3 (Nidhöggr) schwarz LR AWD seit 14.02.19
Fuhrparkmanager für:
Renault: ZOE und Twizy
Opel: Vivaro-E (Kastenwagen 75kWh mittlerer Radstand)
Citroën: Berlingo electric Kastenwagen

Bitte Anmelden oder Registrieren um der Konversation beizutreten.

   Become a Patron