Diode inside traction battery

  • Mtn
  • Mtns Avatar
  • Autor
  • Fresh Boarder
  • Fresh Boarder
  • Beiträge: 20
  • Dank erhalten: 3
11 Nov 2022 17:51 #236515 von Mtn
Diode inside traction battery
I have a new suspect. I think it's the relay that controls the BMS, I'm not sure, there is very little information on the internet. Pins 1 and 2 are always closed, even when I apply 12 volts to the coil. The relay does not click, this indicates that the relay is faulty. Am I testing the relay correctly?
Anhänge:

Bitte Anmelden oder Registrieren um der Konversation beizutreten.

  • Snorre
  • Snorres Avatar
  • Moderator
  • Moderator
  • Beiträge: 6306
  • Dank erhalten: 4521
11 Nov 2022 18:08 - 11 Nov 2022 18:09 #236516 von Snorre
Diode inside traction battery

Mtn schrieb: Am I testing the relay correctly?


No! :(
Pins 1 and 2 are connected to 12V!
And the 2 connectors with the blue plastic covers are the correct ones.
Look here:


Twizy Cargo, EZ 07/2014, 110.000 km, Stand 09/2024
Anhänge:
Letzte Änderung: 11 Nov 2022 18:09 von Snorre.

Bitte Anmelden oder Registrieren um der Konversation beizutreten.

  • TwizyChrisy
  • TwizyChrisys Avatar
  • 10k Boarder
  • 10k Boarder
  • Der Trend geht klar zum Zweittwizy äähhh....
  • Beiträge: 20435
  • Dank erhalten: 13124
11 Nov 2022 18:16 #236518 von TwizyChrisy
Diode inside traction battery
you cant see every damaged charger by viewing inside.
Not every charger explodes when it dies. I have seen some which look like Dresden 1954
and some who seemed to be new.
Both were definitely dead.

Mehr Twizys, mehr Freude.
Folgende Benutzer bedankten sich: Rebound

Bitte Anmelden oder Registrieren um der Konversation beizutreten.

  • Snorre
  • Snorres Avatar
  • Moderator
  • Moderator
  • Beiträge: 6306
  • Dank erhalten: 4521
11 Nov 2022 18:29 - 11 Nov 2022 18:37 #236519 von Snorre
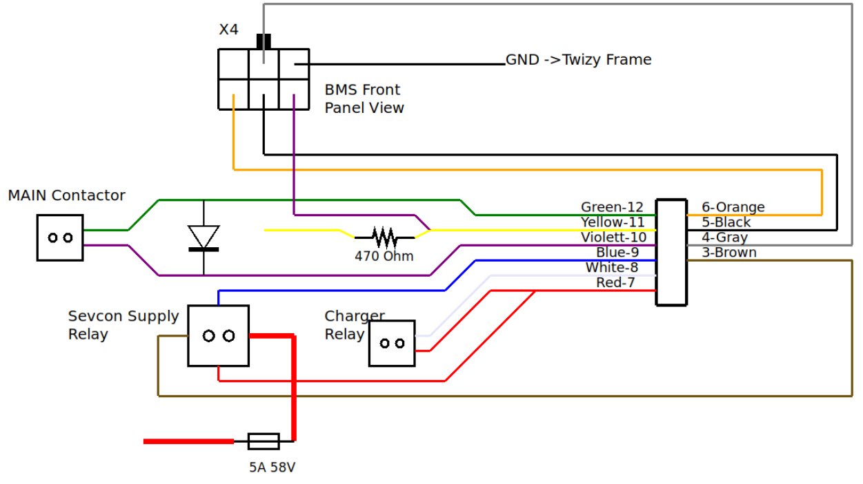
Diode inside traction battery
Here you can see the wiring from the black Yazaki connector outside of the battery housing to the relays:



connecting pin7 and 8 to 12V should activate the charger relay
connecting pin7 and 9 to 12V should activate the Sevcon supply relay
connecting pin10 and 12 to 12V should activate the main power relay

When activating the relays you can do a continuity test to make sure that the relays are indeed okay!

Twizy Cargo, EZ 07/2014, 110.000 km, Stand 09/2024
Anhänge:
Letzte Änderung: 11 Nov 2022 18:37 von Snorre.
Folgende Benutzer bedankten sich: green_fox

Bitte Anmelden oder Registrieren um der Konversation beizutreten.

  • Mtn
  • Mtns Avatar
  • Autor
  • Fresh Boarder
  • Fresh Boarder
  • Beiträge: 20
  • Dank erhalten: 3
11 Nov 2022 19:15 #236521 von Mtn
Diode inside traction battery
Yes, you're right, relays are indeed ok. Thanks for the wiring!

Bitte Anmelden oder Registrieren um der Konversation beizutreten.

  • Snorre
  • Snorres Avatar
  • Moderator
  • Moderator
  • Beiträge: 6306
  • Dank erhalten: 4521
13 Nov 2022 08:50 #236567 von Snorre
Diode inside traction battery

Mtn schrieb:

Snorre schrieb:

Mtn schrieb: I also checked all the connections, and it is clean and there is no overheating.


Then I´m afraid that the charger is damaged, or even more worse, the BMS is damaged. :(

Btw: Where are you from?

I also disassembled the charger, everything is dry and there is no corrosion. The fans spin while charging. I don't have enough knowledge to diagnose BMS. I'm from France, Grenoble.



To make sure that the charger is in fact okay, it would be the best to find another Twizy where you can mount it for a test.

Twizy Cargo, EZ 07/2014, 110.000 km, Stand 09/2024

Bitte Anmelden oder Registrieren um der Konversation beizutreten.

  • Mtn
  • Mtns Avatar
  • Autor
  • Fresh Boarder
  • Fresh Boarder
  • Beiträge: 20
  • Dank erhalten: 3
13 Nov 2022 18:34 - 13 Nov 2022 18:35 #236587 von Mtn
Diode inside traction battery

Snorre schrieb:

Mtn schrieb:

Snorre schrieb:

Mtn schrieb: I also checked all the connections, and it is clean and there is no overheating.


Then I´m afraid that the charger is damaged, or even more worse, the BMS is damaged. :(

Btw: Where are you from?

I also disassembled the charger, everything is dry and there is no corrosion. The fans spin while charging. I don't have enough knowledge to diagnose BMS. I'm from France, Grenoble.



To make sure that the charger is in fact okay, it would be the best to find another Twizy where you can mount it for a test.


The main version for me is the problem of the BMS board, as always I'm not sure, but I have no more options :neutral: . I have all the wiring diagrams and repair manuals from Renault, if anyone needs I can share (in private messages).
Anhänge:
Letzte Änderung: 13 Nov 2022 18:35 von Mtn.

Bitte Anmelden oder Registrieren um der Konversation beizutreten.

  • Berthold
  • Bertholds Avatar
  • Platinum Boarder
  • Platinum Boarder
  • Beiträge: 2827
  • Dank erhalten: 2548
13 Nov 2022 20:03 #236590 von Berthold
Diode inside traction battery
@Mtn my advice …..
the error codes DF192 ; DF193; DF313 ; DF314 are indicating a Charger Problem.
Please find a way to change / swap the Twizy Charger for a Test.

Twizy Intens ; EZ 11/16 ; Parrot mit Pioneer-Sub ; H145/13 V135/13; Spacer 10mm; Zusatzlager, Lader Ventilation optimiert ; Mario Hack ; Kaufakku; Rückfahrkamera, Lüftungsschlitze freigeräumt , LED Frontlicht, ToM , LEGASTHENIKER aus NRW

Bitte Anmelden oder Registrieren um der Konversation beizutreten.

  • Mtn
  • Mtns Avatar
  • Autor
  • Fresh Boarder
  • Fresh Boarder
  • Beiträge: 20
  • Dank erhalten: 3
13 Nov 2022 20:20 #236591 von Mtn
Diode inside traction battery

Berthold schrieb: @Mtn my advice …..
the error codes DF192 ; DF193; DF313 ; DF314 are indicating a Charger Problem.
Please find a way to change / swap the Twizy Charger for a Test.

Ok thanks for the advice.

Bitte Anmelden oder Registrieren um der Konversation beizutreten.

  • Snorre
  • Snorres Avatar
  • Moderator
  • Moderator
  • Beiträge: 6306
  • Dank erhalten: 4521
16 Nov 2022 10:49 #236667 von Snorre
Diode inside traction battery
It will be nearly impossible to get an original Twizy BMS or an edriver BMS! :(

I'm quite sure, that the charger is the cause of your problems.
My advice to you:
Either have a look for a Twizy nearby Grenoble where you can mount your charger for a functionality test or probably you will find someone here in the German forum to whom you can send your charger and he will do the test for you.
But this will mean, that there will be two times shipping costs.
But after the test you will be sure, whether your charger is okay or not.

Is there no French Twizy forum where you can find a Twizy nearby Grenoble?

Btw: Replacing the original Twizy BMS by the edriver BMS will be a lot of work! ;)
This is no plug´n´play procedure! :(

Twizy Cargo, EZ 07/2014, 110.000 km, Stand 09/2024
Folgende Benutzer bedankten sich: Berthold

Bitte Anmelden oder Registrieren um der Konversation beizutreten.

  • Mtn
  • Mtns Avatar
  • Autor
  • Fresh Boarder
  • Fresh Boarder
  • Beiträge: 20
  • Dank erhalten: 3
17 Nov 2022 10:02 #236718 von Mtn
Diode inside traction battery
Yes, having studied the market, I was convinced that this is almost impossible, but I will try. I did not find the same enthusiasts in France, there are a lot of Twizy here, but everyone has a rented battery and few fans who modify their Twizy. Twizi forum is a real find for me. I found a few breakdowns on the forum that are similar to my case and all have a problem with the BMS. I'll try to diagnose the charger in France. Thanks for your advice!

If I can find an edriver BMS I'm not afraid of work, the battery is already on the table anyway

Bitte Anmelden oder Registrieren um der Konversation beizutreten.

  • Snorre
  • Snorres Avatar
  • Moderator
  • Moderator
  • Beiträge: 6306
  • Dank erhalten: 4521
17 Nov 2022 10:20 #236720 von Snorre
Diode inside traction battery
Have you already asked at Renault, whether they sell the BMS as a regular spare part?
I´m sure that the price for it will be enormous, but will it be availiable?
Some time ago, a Twizy owner from Suisse reported that he was able to buy a BMS as a regular spare part.

Twizy Cargo, EZ 07/2014, 110.000 km, Stand 09/2024

Bitte Anmelden oder Registrieren um der Konversation beizutreten.

  • Mtn
  • Mtns Avatar
  • Autor
  • Fresh Boarder
  • Fresh Boarder
  • Beiträge: 20
  • Dank erhalten: 3
23 Nov 2022 16:32 #236973 von Mtn
Diode inside traction battery
I want to write the final solution to my problem. I changed the BMS and Twizy is back on the road. Thank you all for your willingness to help and advice.
Folgende Benutzer bedankten sich: Rebound, green_fox

Bitte Anmelden oder Registrieren um der Konversation beizutreten.

  • benjiw46
  • benjiw46s Avatar
  • Senior Boarder
  • Senior Boarder
  • Beiträge: 152
  • Dank erhalten: 153
23 Nov 2022 16:59 #236974 von benjiw46
Diode inside traction battery

Mtn schrieb: I want to write the final solution to my problem. I changed the BMS and Twizy is back on the road. Thank you all for your willingness to help and advice.


Thanks for the feedback, it's always nice to know the final solution especially when someone has the same problem and finds this thread.

Where did you find a BMS? Was it used or new from Renault?
Folgende Benutzer bedankten sich: JPB

Bitte Anmelden oder Registrieren um der Konversation beizutreten.

  • Mtn
  • Mtns Avatar
  • Autor
  • Fresh Boarder
  • Fresh Boarder
  • Beiträge: 20
  • Dank erhalten: 3
24 Nov 2022 09:48 #237003 von Mtn
Diode inside traction battery
I was lucky to buy a used BMS, I won't be able to buy a new part from Renault.

www.twizy-forum.de/probleme-twizy/87087-batterie-error#191715
Here is a discussion of the same problem as mine, it helped me a lot. The author of the discussion was able to repair the BMS. If someone wants to repair the BMS, I have it. Probably the problem is in the BMS controller software, I am an IT specialist, but this is not in my power. I can sell and recoup some of the costs.

Bitte Anmelden oder Registrieren um der Konversation beizutreten.

Moderatoren: klauszedriverSnorre
   Become a Patron